EasyManua.ls Logo

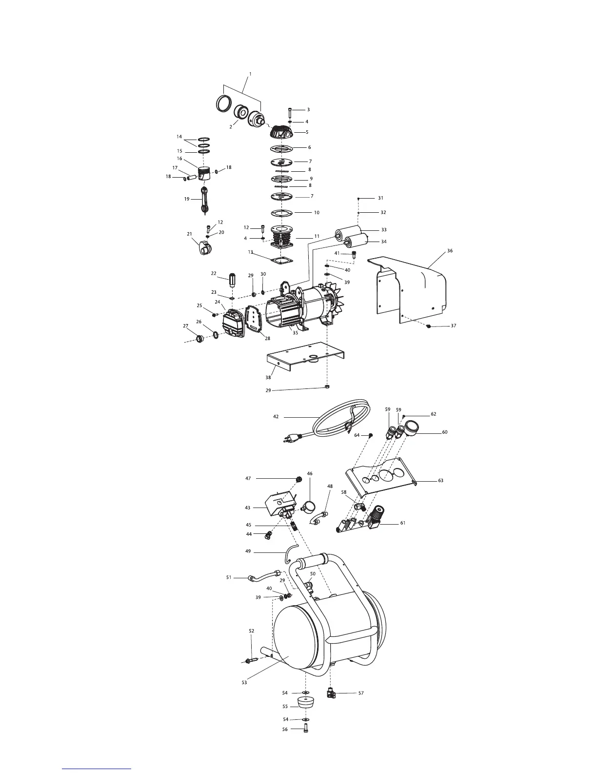
Craftsman 921.166360 - Exploded View

Craftsman 921.166360
15 pages
Print Icon
To Next Page IconTo Next Page
To Next Page IconTo Next Page
To Previous Page IconTo Previous Page
To Previous Page IconTo Previous Page
Loading...
8
Air Compressor Model 166360
Exploded View

Related product manuals