EasyManua.ls Logo

Craftsman WEEDWACKER - Page 33

Craftsman WEEDWACKER
36 pages
Print Icon
To Next Page IconTo Next Page
To Next Page IconTo Next Page
To Previous Page IconTo Previous Page
To Previous Page IconTo Previous Page
Loading...
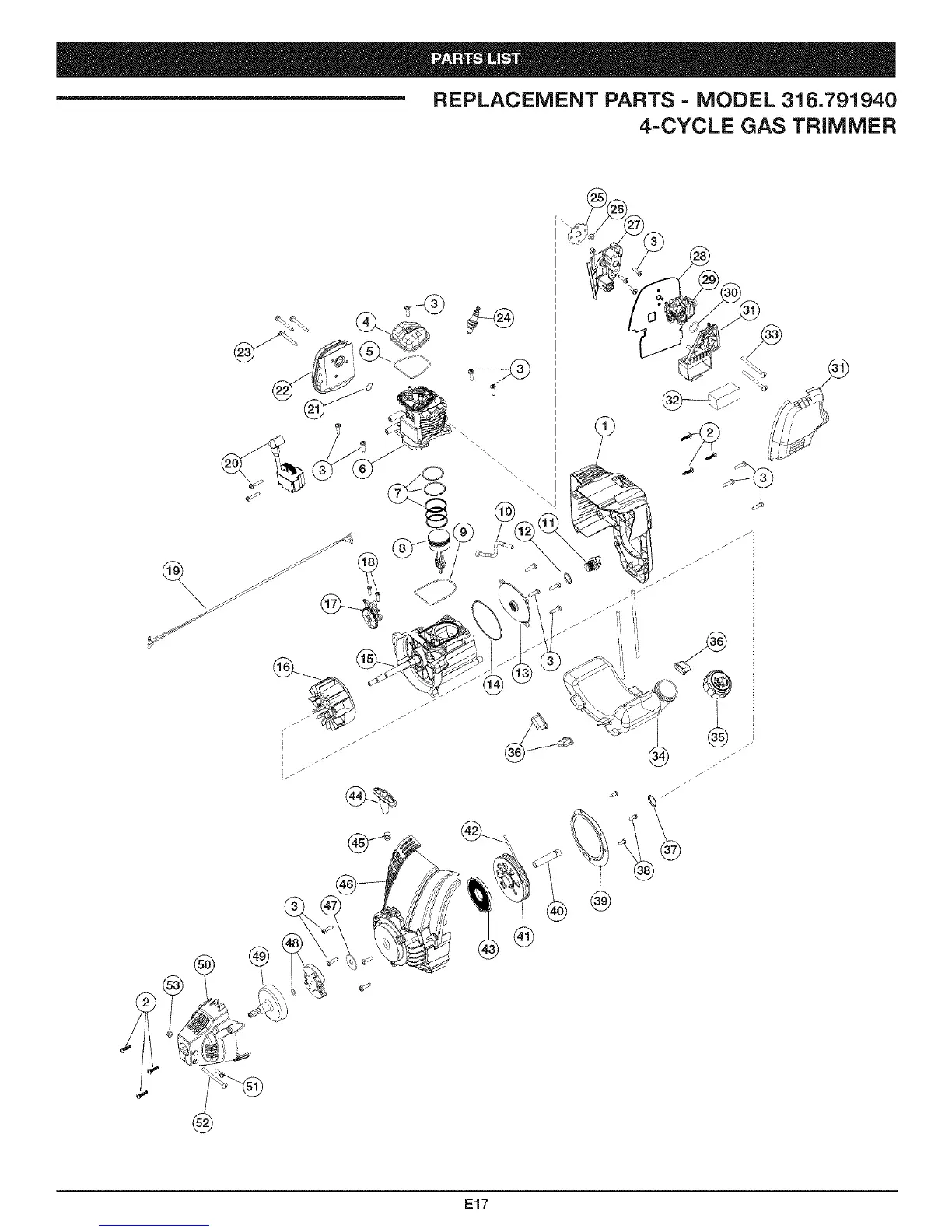
REPLACEMENT PARTS - MODEL 316.791940
4=CYCLE GAS TRIMMER
E17

Related product manuals