EasyManua.ls Logo

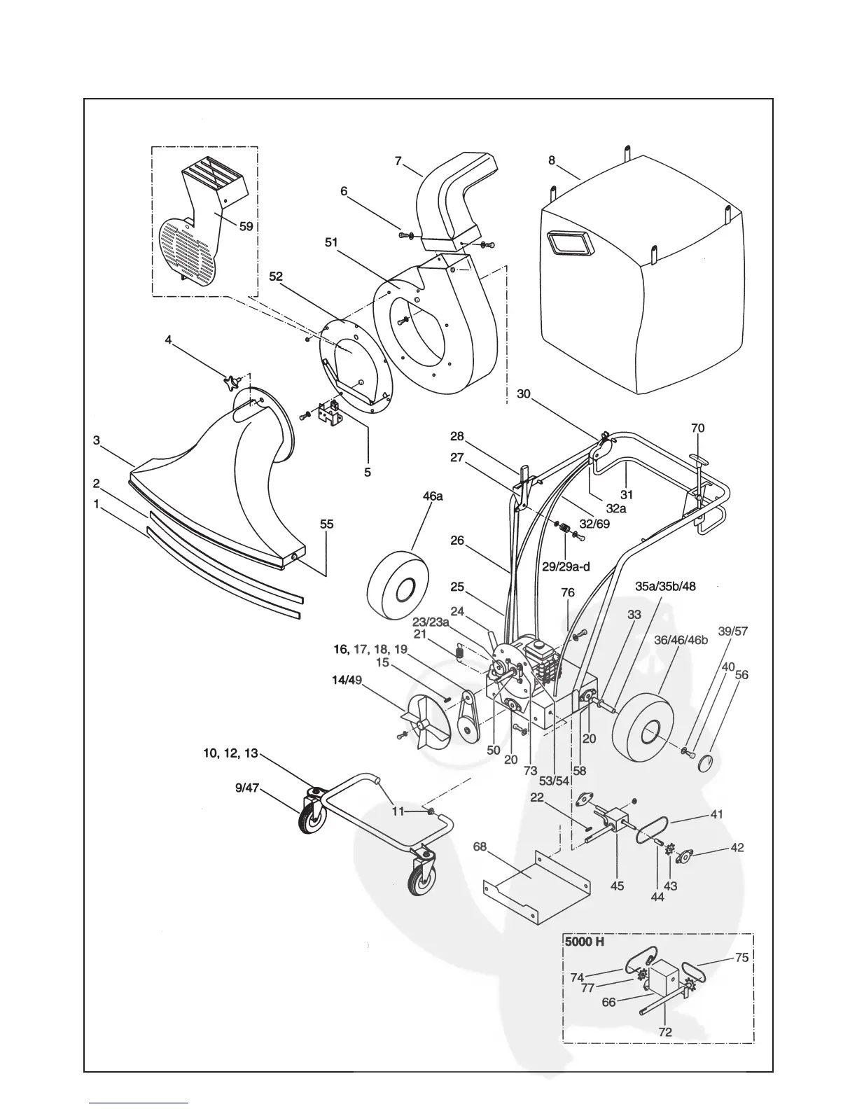
Cramer LS3500 - Spare Parts Drawing

Cramer LS3500
6 pages
Print Icon
To Next Page IconTo Next Page
To Next Page IconTo Next Page
To Previous Page IconTo Previous Page
To Previous Page IconTo Previous Page
Loading...
9. Spare Parts Drawing