EasyManua.ls Logo

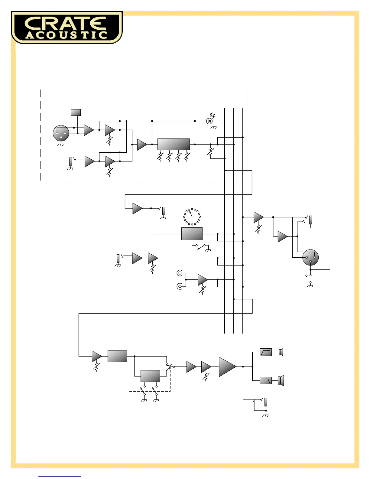
Crate Acoustic CA120D - System Block Diagram; Signal Flow Overview

Crate Acoustic CA120D
8 pages
Print Icon
To Next Page IconTo Next Page
To Next Page IconTo Next Page
To Previous Page IconTo Previous Page
To Previous Page IconTo Previous Page
Loading...
CA120D Acoustic Amplifier
7
Channels 1 and 2:
low-z
high-z
low mid cntr
peak
effects
master
line out
high
DSP/eff
send
phantom
power
tones
gain
gain
aux in/
eff ret
effects
send
aux in/
eff ret
foot
switch
DSP
mode
gain
cd
input
low-z
bal
gnd
lift
high-z
bal
line out
level
external
speaker
level
foot
switch*
*NOTE: Feedback circuit activated when footswitch plug is inserted into Feedback Filters Footswitch jack
filter
1
filter
2
feedback
filters
on/off*
limiter
feedback
circuit
tweeter
cut
power
amp
high pass
hi-freq
driver
low-freq
driver
low pass
System Block Diagram:

Related product manuals