EasyManua.ls Logo

Crate CA6110D - Important Safety Instructions

Crate CA6110D
2 pages
Print Icon
To Previous Page IconTo Previous Page
To Previous Page IconTo Previous Page
Loading...
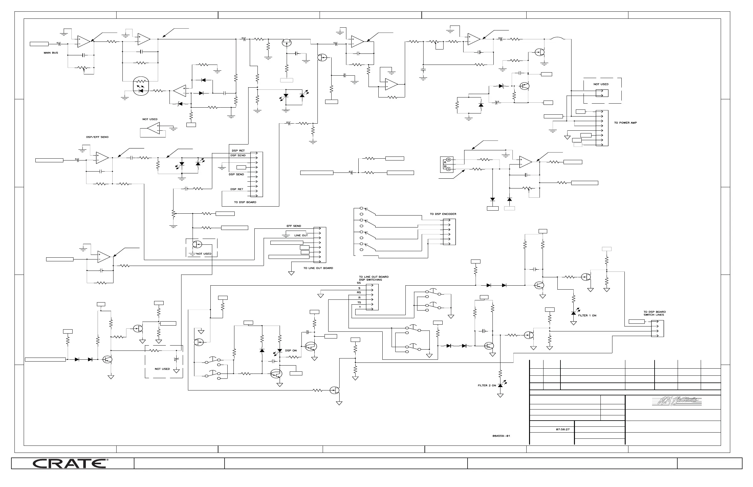
©2007 LOUD Technologies Inc. All rights re served Preamp PCB Schematics PAGE 2
CA6110DG
1/06/04 - -
A
C
Plot Time:
Drawn:
REV
Sheet
INITIAL ISSUE
-
-
of 22
NONE
7/07/03
Date:
Ecr(s)/Ecn(s) Appvd by Date
5
4
A
A
B
B
C
C
D
D
E
E
Plot Date:
Checked:
Released:
F
F
-
G
G
5
4
3
1
2
SCHEM - PREAMP
3
1
2
NOTES:
Date
Drawing Number:
Class Code:
Drawing Type: Schematic
11880 Borman Drive, St. Louis, MO 63146
REM
ST. LOUIS MUSIC, INC
THE INFORMATION CONTAINED ON THIS DRAWING IS PROPRIETARY TO
Chgd ByDESCRIPTION
AND 10 MEGOHM DIGITAL VOLTMETER.
1) CAUTION: SHOCK HAZARD!!
TOUCHING INTERNAL PARTS.
CAUTION:
Tolerance:
Drawing Title:
First Used On:
Drawing Size:
-
Signatures:
Mon Feb 02, 2004
07S559
-
3) VOLTAGES ARE MEASURED WITH 1 MEGOHM OSCILLOSCOPE
2) UNLESS NOTED, RESISTOR VALUES IN OHMS, 1/8W-5% TOL.
AND BE SURE POWER SUPPLY IS DISCHARGED BEFORE
SERVICE PERSONNEL. DO NOT PERFORM ANY SERVICING BEYOND
THIS SCHEMATIC IS PROVIDED FOR USE BY QUALIFIED PERSONNEL.
CAPACITOR VALUES IN MICROFARADS, 50V-10% TOL.
THAT EXPLAINED IN THE OPERATING INSTRUCTIONS.
THIS UNIT CONTAINS HAZARDOUS VOLTAGE. DISCONNECT POWER
TO AVOID RISK OF ELECTRIC SHOCK, REFER SERVICING TO QUALIFIED
DSP_B
MAIN_BUS
-13VP+13VP
-13V
+13V
DSP_A/B
EFF_SEND_BUS
C43
10
35V
D31
1N914
75V PIV
-13V
C67
56 pF
200V
C47
10
35V
CW
P15
50K L
MASTER
LEVEL
2
3
1
IC6:A
TLO-74
33K
1/4W
5per
R125
R127
10K
1/8W
5per
0.5Vrms
TP20
R73
2.2K
1/8W
5per
C52
.1
50V
1
50V
C65
1K
1/8W
5per
R132
DSP_A/B
+13V
3.3K
1/8W
5per
R97
S
D
G
Q8
J112
R99
1K
1/8W
5per
R98
4.7K
1/8W
5per
D23
RED
+13V
D13
1N914
75V PIV
R69
2.7K
1/8W
5per
1.5K
1/4W
5per
R75
+13V
10K
1/8W
5per
R113
+10V
3.3K
1/8W
5per
R71
3.3K
1/8W
5per
R70
C55
10
35V
C49
.1
D17
RED
D25
RED
100K
1/8W
5per
R104
R81
47K
1/8W
5per
2.2K
1/8W
5per
R168
C95
.01
100V
+13V
-13V
100K
1/8W
5per
R108
R107
22K
1/4W
5per
R101
47K
1/8W
5per
C94
.01
100V
2
3
1
IC8:A
TLO-74
R171
2.2K
1/8W
5per
.001
C83
100V
R143
3.3K
1/8W
5per
22K
1/8W
5per
R144
R135
100
1/8W
5per
D21
RED
-13V
C84
100
35V
C86
10
35V
S
D
G
J112
Q6
C50
.047
100V
33K
1/4W
5per
R88
-13V
+10V
MUTE
G
S
D
Q13
J175
1K
1/8W
5per
R89
R83
47K
1/8W
5per
R156
22K
1/8W
5per
MAIN_BUS
+10V
+13V
R124
33K
1/4W
5per
C48
56 pF
200V
C44
56 pF
200V
R133
47K
1/8W
5per
4.7K
1/8W
5per
R131
R72
680
1/8W
5per
G
S
D
Q17
J175
R100
1K
1/8W
5per
D14
1N914
75V PIV
100K
1/8W
5per
R67
R78
470
1/8W
5per
2.2K
1/8W
5per
R77
Q1
MPS-A13
2.2K
1/8W
5per
R76
Q16
MPS-A13
+13V
1
2
3
4
5
6
7
8
J13
{Value}
4.7K
1/8W
5per
R79
1K
1/8W
5per
R80
+13V
C66
10
35V
C54
100 pF
200V
6
5
7
IC8:B
TLO-74
75V PIV
1N914
D29
1N914
D18
75V PIV
1N914
D28
75V PIV
1K
1/8W
5per
R91
1K
1/8W
5per
R114
75V PIV
1N914
D51
D33
1N754ARL
6.8V
0.5Vrms
TP14
Q3
MPS-A55
C77
100 pF
200V
D19
RED
1K
1/8W
5per
R85
4.7K
1/8W
5per
R86
1
2
3
4
5
6
7
8
J21
{Value}
2
1
J22
{Value}
MAIN_BUS
LINE_OUT_BUS
MAIN_BUS
DSP_B
LINE_OUT_BUSEFF_RETURN_BUS
DSP_A
MAIN_OUT
MUTE
D30
1N914
75V PIV
REVERB_SWITCH_LINE
Q11
MPS-A56
+13V
R74
47K
1/8W
5per
9
10
8
IC6:C
TLO-74
R65
47K
1/8W
5per
75V PIV
1N914
D16
O
I
C
SW2:A
FEEDBACK ON
R126
33K
1/4W
5per
S
D
G
Q12
J112
+13V
CW
P17
50K L
DSP RETURN
C53
2.2
50V
R96
10K
1/8W
5per
D22
RED
0.3Vrms
TP16
6
5
7
IC7:B
NE5532
C46
10
35V
D15
1N746ARL
3.3V
15K
1/8W
5per
R106
R66
47K
1/8W
5per
10K
1/8W
5per
R105
13
12
14
IC6:D
TLO-74
R102
47K
1/8W
5per
G
S
D
Q2
J175
R169
1M
1/8W
5per
R129
22K
1/8W
5per
C56
10
35V
D24
RED
1M
1/8W
5per
R103
2.2K
1/8W
5per
R170
C93
22
16V
D
G
S
Q15
J175
2.2K
1/4W
5per
R94
+13V
C51
.047
100V
+13V
2.2K
1/4W
5per
R87
+13V
1K
1/8W
5per
R84
CW
P20
50K L
CD LEVEL
6
5
7
IC6:B
TLO-74
R138
22K
1/8W
5per
R155
22K
1/8W
5per
75V PIV
1N914
D32
47K
1/8W
5per
R146
R142
3.3K
1/8W
5per
C85
.001
100V
9
10
8
IC8:C
TLO-74
R147
15K
1/8W
5per
JWOPT1
CW
P19
50K L
TWEETER CUT
1
2
3
4
J18
{Value}
S
D
G
J112
Q4
R128
47K
1/8W
5per
2.2K
1/8W
5per
R123
13
12
14
IC8:D
TLO-74
LINE_OUT_BUS
1.1Vrms
TP11
O
I
C
SW2:B
FEEDBACK ON
C45
56 pF
200V
OC1
VTL-5C7
R68
2.7K
1/8W
5per
2
3
1
IC7:A
NE5532
0.5Vrms
TP12
1
2
3
4
5
6
J14
{Value}
DSP_A
2
3
4
CMN
1
4-BIT ENCODER
SW5
DSP ENCODER
R130
22K
1/8W
5per
C92
.01
100V
1M
1/8W
5per
R167
G
S
D
Q14
J175
0.5Vrms
TP13
4.7K
1/8W
5per
R93
R90
47K
1/8W
5per
1K
1/8W
5per
R92
75V PIV
1N914
D20
Q5
MPS-A55
33K
1/4W
5per
R95
D50
75V PIV
1N914
R139
22K
1/8W
5per
1
2
3
4
5
6
J4
{Value}
TP19
200mVrms
2N5087
Q10
R145
100K
1/8W
5per
C82
.0022
100V
200mVrms
TP18
1
2
3
4
5
6
7
8
9
10
J12
{Value}
J23
CD INPUT
REVERB_SWITCH_LINE
EFF_RETURN_BUS
O
I
C
SW1:B
FILTER 2
O
I
C
SW1:A
FILTER 2
O
I
C
SW3:B
FILTER 1
O
I
C
SW3:A
FILTER 1
LINE_OUT_BUS
400mVrms
TP17
0.5Vrms
TP15

Other manuals for Crate CA6110D

Related product manuals