EasyManua.ls Logo

Crate GTX65 - System Block Diagram

Crate GTX65
16 pages
Print Icon
To Next Page IconTo Next Page
To Next Page IconTo Next Page
To Previous Page IconTo Previous Page
To Previous Page IconTo Previous Page
Loading...
15
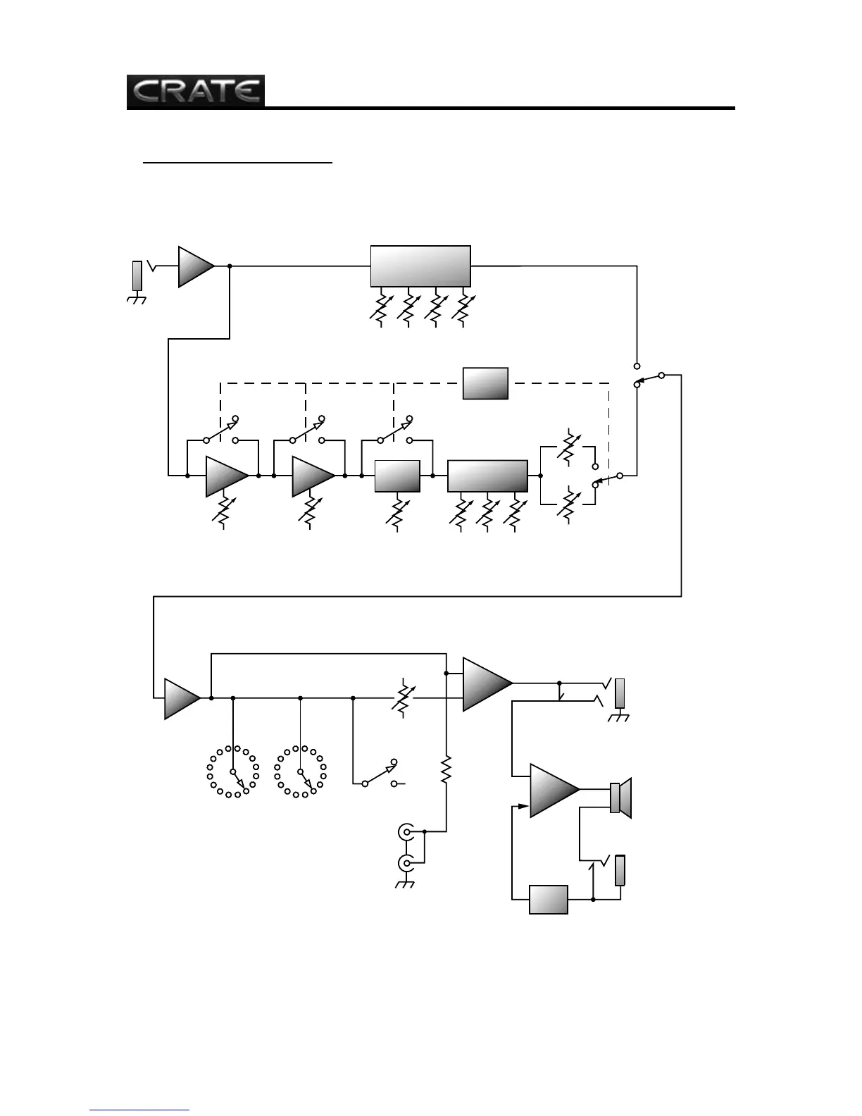
System Block Diagram:
GTX65
Three-Channel Guitar Amplifier with Advanced DSP

Related product manuals