EasyManua.ls Logo

Crate Pro Audio CSM12 - System Block Diagram

Crate Pro Audio CSM12
16 pages
Print Icon
To Next Page IconTo Next Page
To Next Page IconTo Next Page
To Previous Page IconTo Previous Page
To Previous Page IconTo Previous Page
Loading...
14
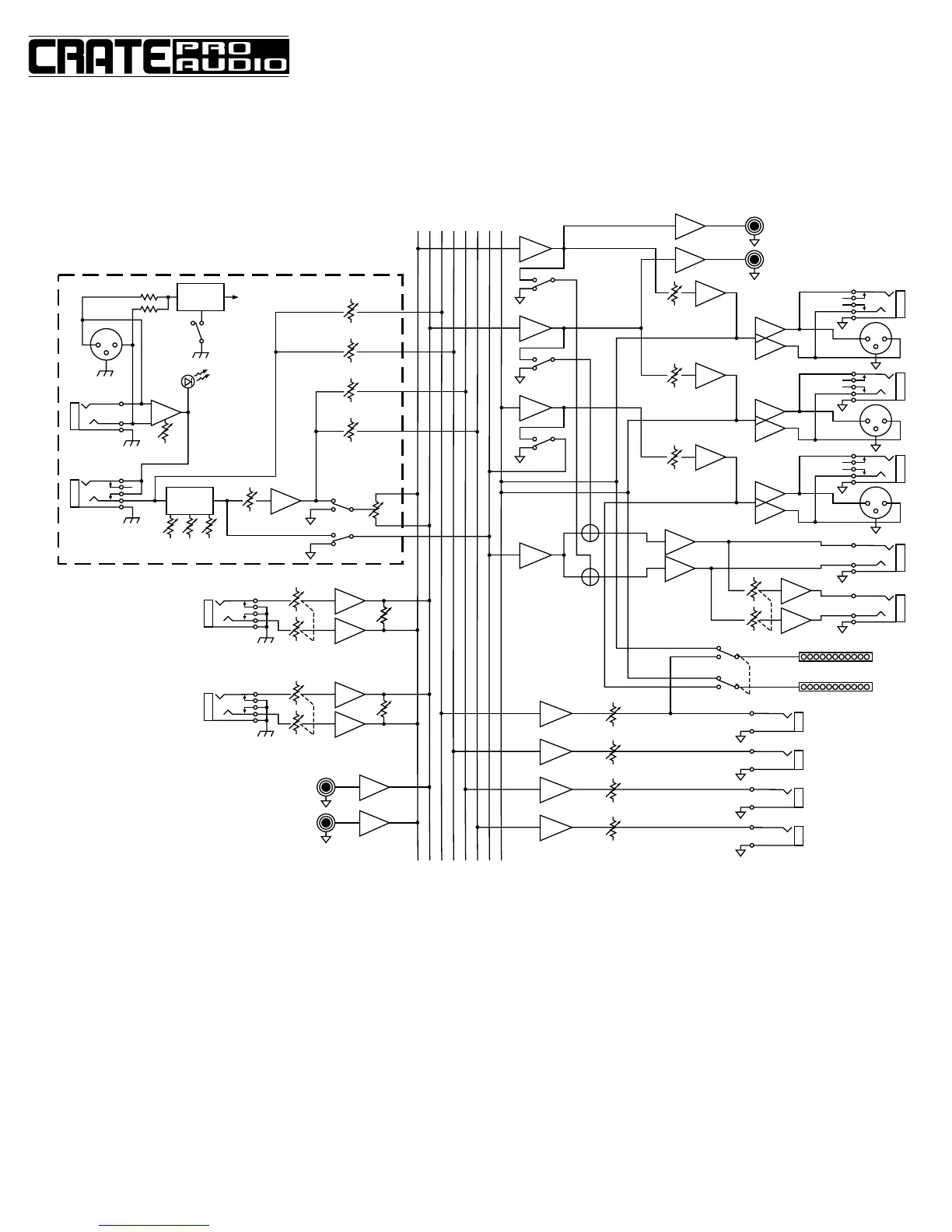
CSM8/12/16/24 Console Mixer
System Block Diagram:
LEFT
FADER
AUX 1
FADER
HEADPHONES
LEVEL
LEFT
RIGHT
AUX 1
AUX 2
AUX 3
AUX 4
PFL
MIX
AUX 3
RETURN
R
T
PAN
PFL LEFT
AUX 3
RETURN
AUX 4
RETURN
R
T
PAN
BA
BA
AUX 3
RETURN
PAN
BA
BA
BA
LEFT
TAPE IN
BA
RIGHT
TAPE IN
LEFT
OUT
(BAL.)
LEFT
OUT
(BAL.)
R
T
LEFT
TAPE OUT
RIGHT
TAPE OUT
LA
LA
LA
RIGHT
FADER
LA
MIX
FADER
LA
SUM
PFL RIGHT
SUM
PFL MIX
SUM
SUM
SUM
RIGHT
OUT
(BAL.)
RIGHT
OUT
(BAL.)
R
T
PFL
OUT
R
T
HEAD
PHONES
OUT
R
T
AUX 1
SEND
AUX 2
LEVEL
SUM
AUX 2
SEND
AUX 3
LEVEL
SUM
AUX 3
SEND
AUX 4
LEVEL
SUM
AUX 4
SEND
LA
MIX
OUT
(BAL.)
MIX
OUT
(BAL.)
R
T
LA
LA
LA
LA
LA
LED DISPLAY
SELECT SWITCH
LEFT LED
DISPLAY &
PEAK LED
RIGHT LED
DISPLAY &
PEAK LED
GAIN
AUX 1
AUX 2
AUX 3
AUX 4
MUTE
CHANNEL
FADER
HIGH MID LOW
LOW Z
HIGH Z
R
T
TYPICAL
INPUT
CHANNEL
INSERT
R
T
PHANTOM
POWER
+48V
ON OFF
HA
PEAK/
SIGNAL
EQ
PFL
PAN
BA