EasyManua.ls Logo

Crestron CNXBRMO - Internal Block Diagram; Specifications

Crestron CNXBRMO
24 pages
Print Icon
To Next Page IconTo Next Page
To Next Page IconTo Next Page
To Previous Page IconTo Previous Page
To Previous Page IconTo Previous Page
Loading...
Bridging/Mono Interface Crestron CNXBRMO
Internal Block Diagram
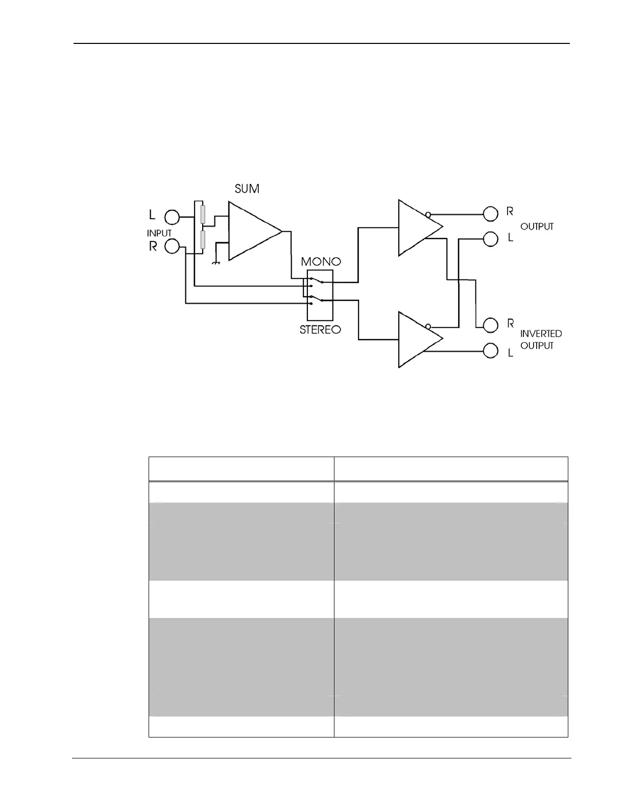
The following diagram represents the signal routing abilities of the
CNXBRMO. For more information refer to “Hardware Hookup” on page
7.
Internal Block Diagram of the CNXBRMO
Specifications
Specifications for the CNXBRMO are listed in the following table.
CNXBRMO Specifications
SPECIFICATION DETAILS
Cresnet
®
power usage <1 Watt @ 24 Volts DC
Environmental
Temperature 41º to 122ºF (5º to 50ºC)
Humidity 10% to 90% RH
(non-condensing)
Enclosure Black metal, surface mount box
with (2) integral mounting flanges
Dimensions
(including connectors)
Height 1.26 in (3.19 cm)
Width 5.75 in (14.61 cm)
Depth 2.54 in (6.45 cm)
Weight 0.54 lbs (0.24 kg)
2 Bridging/Mono Interface: CNXBRMO Operations Guide – DOC. 8158A

Related product manuals