EasyManua.ls Logo

Cron HDI-600 - Page 55

Cron HDI-600
55 pages
Print Icon
To Previous Page IconTo Previous Page
To Previous Page IconTo Previous Page
Loading...
Appendix
55 / 55
T
B
-
C
P
10A
T
B
-
M
P
L1
L
N
N1
L1
L
N
N1
安全开关
Switch
L
N1
N
L1
L N
-24
L N
-5
+5
SP-M
上海衡孚开关电源
HENGFU Switch Power Supply
HF25W-SL-5
上海衡孚开关电源
HENGFU Switch Power Supply
HF320W-SC-24
SP-M1
-24
+24
+24
直线伺服电机驱动器
Linear servomotor Driver
1
SBSD-M
SBSD-E
M
SBSD-C
R S T
LC1 LC2
-
P(+)
U VT C W
3
*
16
#
AWG
连接至制冷控制箱
To Refrigeration system
真空气泵风机
Vacuum Pump
Centrifuge Fan
连接至激光控制箱
To laser control box
M
2701P
真空气泵
4BH320-H36
vacuum pump
主板接口板CN9B
LBMIO-CN9B
3*16#AWG
2701M
8 7
6 5
4 3
2
1
变频器
frequency converter
3
*
16
#
AWG
细分盒
Signal adapter
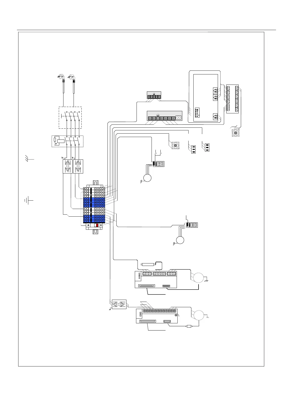
HDI-1600动力部分接线示意图
HDI-1600 power part wiring diagram
主机电源输入
Mainframe Power Input
220V 50Hz/60Hz 10A
FLM
滤波器 filter
滤波器 filter
FLC
滤波器 filter
M
3*16#AWG
2703M
8 7
6 5
4 3
2
1
吸尘/进版气泵
2BH220-H16
dust cleaner/loading
vacuum pump
主机电源输入
Mainframe Power Input
220V 50Hz/60Hz 16A
主板接口板CN11
LBMIO-CN11
主板接口板CN8
LBMIO-CN8
光鼓伺服驱动器
Drum Servomotor driver
1
400W10Ω
制动电阻
Break Resistor
DSD-M
DSD-E
M
光鼓伺服电机
Drum Servomotor
DSD-C
变频器
frequency converter
SP-T
Laser
SP-F
2703P
DSD-P
SBSD-P
直线伺服电机
Linear Servomotor
主板接口板CNS2
LBMIO-CNS2
主板接口板CNS1
LBMIO-CNS1
接地线
Ground
接对应设备壳体
For Related
Device Shield
速普接线端子
SUPU Binding Post
204951&204954
主板接口板
Main I/O Board
LBMIO-INT
CNP1
CNP4 CNP5CNP2
CNP1 CNP2 CNP3 CNP4 CNP5
CNP6 CNP7 CNP8 CNP9 CNP10CNP11
black
blue
black
blue
black
blue
black
blue
black
black
blue
blue
yellow
red
blue
blue
black
yellow
red
blue
blue
blue
black
black
red
yellow
blue
red
yellow
blue
blue
red