EasyManua.ls Logo

CROSS-RC BT8 - 76

Default Icon
77 pages
Print Icon
To Previous Page IconTo Previous Page
To Previous Page IconTo Previous Page
Loading...
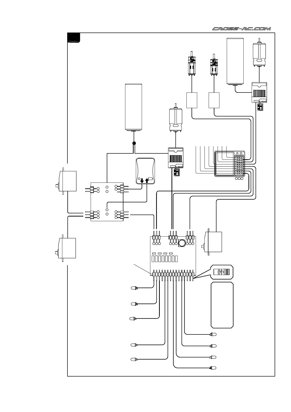
BEC
input
output
J1
J2
J3
J4
J5
J6
J7
J8
J9
J10
J11
J12
J13
J14
J15
J1
(87124)
CH2
UP(-)
Down(+)
J15 Jumper
PLease plug short circuit
cap if vehicle go ahead
but brake lamps turn on.
J2
(87124)
J3
(87124)
J6
(87125)
J5
(87125)
J8
(87125)
(86018)
(86018)
(86018)
(87030)
76
(86018)
87077
3S 11.1V LiPO
Or
9 cell 10.8v MiMH
Headlamps
Right turn signal
Left turn signal
TRANSMISSION
SERVO
7.2V~8.4V
HV
Servo
HV
Servo
STEERING
SERVO
CH1
CH2 CH3
s
+
_
s
+
_
s
+
_
+
_
s
+
_
CH1
s
+
_
+
_
+
_
+
_
J9
(87125)
J11
(87126)
J12
(87126)
113
CH3
CH2
CH1
CH4
s
+
_
CH6
CH5
CH7
CH8
CH5
N20
(87134)
(10638)
(87134)
N30
(10639)
3S 11.1V LiPO
Or
9 cell 10.8v MiMH

Related product manuals