EasyManua.ls Logo

Crown XLS1000 - Page 31

Crown XLS1000
94 pages
To Next Page IconTo Next Page
To Next Page IconTo Next Page
To Previous Page IconTo Previous Page
To Previous Page IconTo Previous Page
Loading...
XLS2500
100V 141603 10K 1K Open
XLS2500
120V 141604 10K 2K Open
XLS2500
220V 141605 20K 6.81K Open
XLS2500
240V 141606 20K 10K Open
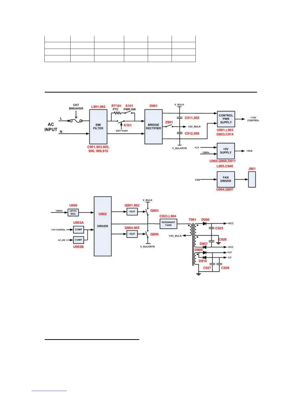
PWR SUPPLY SECTION THEORY OF OPERATION
Note:
Any component references will be to the 141576-4 thru 141583-4, 141607-5 thru
141610-5, and 142028-3 thru 142031-2 PWAs. Later PWAs should be
compatible except where additions have been made.
Underlined text references components that are only used on 141607-5 thru
141610-5, and 142028-3 thru 142031-2 PWAs.
Brief summary of operation

Related product manuals