EasyManua.ls Logo

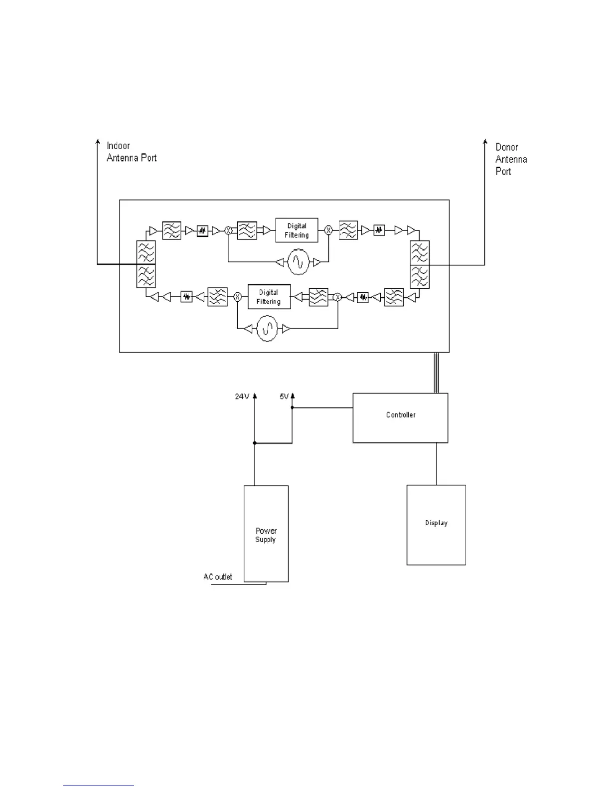
CSI CSI-DSP85-P - Function Block Diagram

CSI CSI-DSP85-P
39 pages
Print Icon
To Next Page IconTo Next Page
To Next Page IconTo Next Page
To Previous Page IconTo Previous Page
To Previous Page IconTo Previous Page
Loading...
- 15 -
Functional Block Diagram