EasyManua.ls Logo

CTX EX951F - Page 48

CTX EX951F
53 pages
Print Icon
To Next Page IconTo Next Page
To Next Page IconTo Next Page
To Previous Page IconTo Previous Page
To Previous Page IconTo Previous Page
Loading...
47
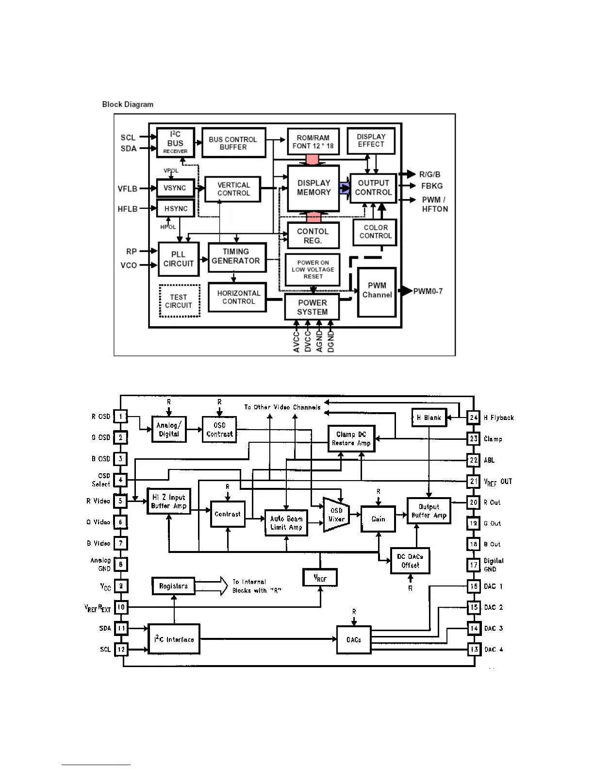
IC804 NT6828-00046
IC801: LM 1269NA

Related product manuals