EasyManua.ls Logo

CTX EX951F - Page 49

CTX EX951F
53 pages
Print Icon
To Next Page IconTo Next Page
To Next Page IconTo Next Page
To Previous Page IconTo Previous Page
To Previous Page IconTo Previous Page
Loading...
48
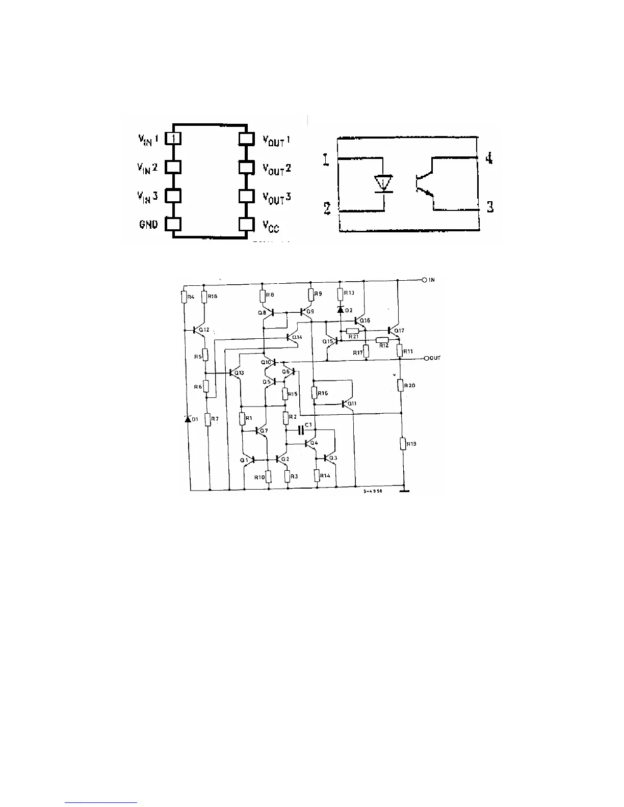
IC803:LM2480NA IC904:PC431CLP
IC903:L7812CV

Related product manuals