EasyManua.ls Logo

Cub Cadet 18.5HP Z-Force 42

Cub Cadet 18.5HP Z-Force 42
56 pages
To Next Page IconTo Next Page
To Next Page IconTo Next Page
To Previous Page IconTo Previous Page
To Previous Page IconTo Previous Page
Loading...
22
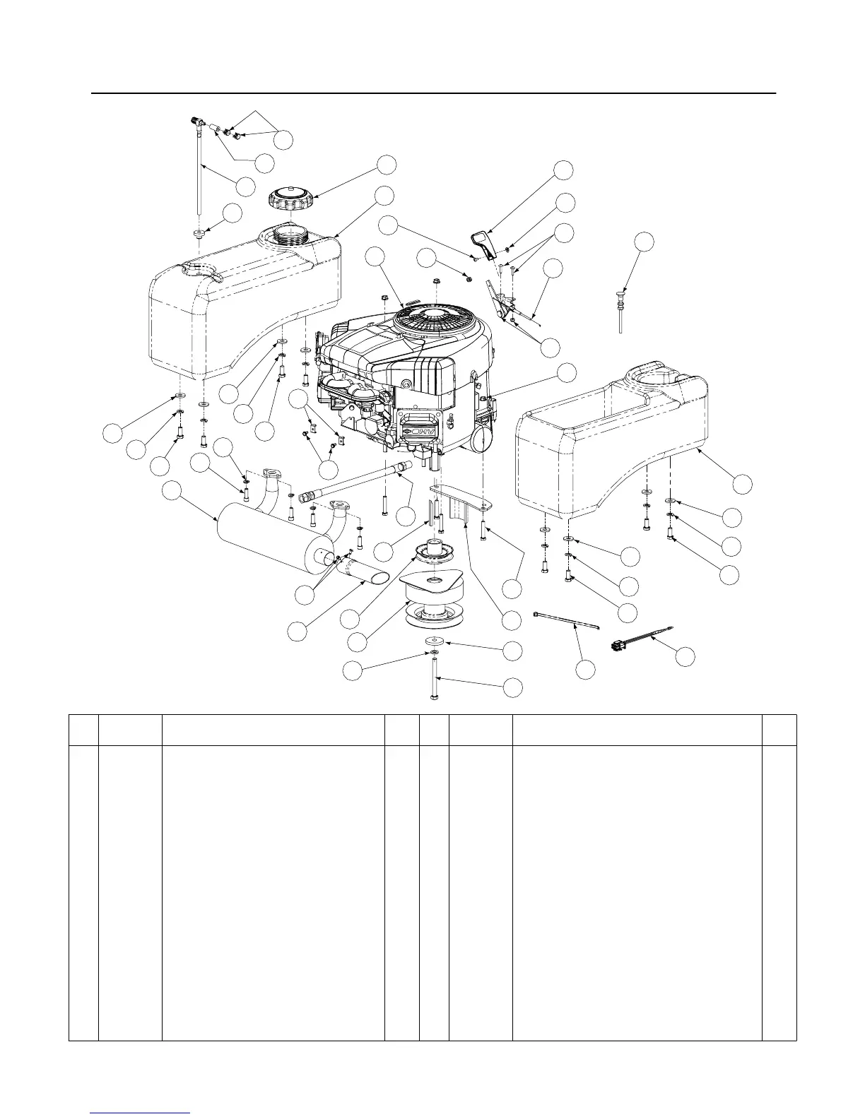
20HP Briggs Engine Assembly
- Figure 13 and Parts List
Ref
No Part No. Description Qty.
Ref
No Part No. Description Qty.
1 00006129 Hex Head Cap Screw, 5/16-18 x 1-3/4 4 20 01003283 Oil Drain Extension Hose 1
2 00012157 Lock Washer, 3/8 Zinc 8 21 01008138 Utility Bin 1
3 -- Hose, 1/4" Fuel Line 1 22 01008808 Electric PTO Engine Pulley 1
4 00012235 Clamp, Union 2 23 01009724 20HP Briggs Engine 1
5 01008531 Self Tapping Screw, 10-32 x 1/2 4 24 01008902 Briggs Muffler 1
6 00014608 Lock Nut, Nylon Insert, 10-32 2 25 01008544 Ogura JD08 Electric Clutch 1
7 00060056 Nut, w/ Star Washer 1 26 01003272 Throttle Control Cable 1
8 01000069 Fuel Cap 1 27 01008640 Clutch Retainer Assembly 1
9 01000281 Fuel Tank Groment 1 28 01000811 Screw, 8-32 x .375, Hex Washer 2
10 01000368 Hex Cap Screw, 3/8-16 x .88 8 29 01007533 Key, 1/4 x 1/4 x 2.75 1
11 01000389 Lock Washer, 7/16 1 30 01008623 Exhaust Pipe 1
12 01000635 Lock Nut, Hex Flange, 5/16-18 4 31 00012168 Lock Washer, 5/16 4
13 01008637 Hex Cap Screw, 7/16-20 x 4.0 1 32 01009142 Socket Head Cap Screw, 5/16-18 x 1.00 4
14 01000721 Machine Screw, 8-32 x .375 1 33 01004020 Choke Cable 1
15 01000723 Flat Washer, .406 ID x 1.0 OD x .105 8 34 01009826 Harness Adaptor 1
16 01003116 Fuel Pickup Fitting 1 35 00023041 Starter Side Lock Nut 1/4-20 1
17 01004004 Throttle Control Knob 1 36 01002070 Throttle Cable Clamp 2
18 01004350 Fuel Tank 1 37 01001811 HourMeter Harness (not shown) 1
19 01005314 Flat Washer, 7/16 ID x 1.75 OD x .250 1 38 00012470 Cable Tie, 3/16 x .05 x 7.4 1
21
15
2
10
15
2
10
1
27
19
22
25
11
13
24
10
2
15
10
2
15
20
4
3
16
9
8
18
14
23
17
7
5
26
6
12
28
30
29
31
32
33
34
35
5
36
38
GD: 01009716-P03

Other manuals for Cub Cadet 18.5HP Z-Force 42

Related product manuals