EasyManua.ls Logo

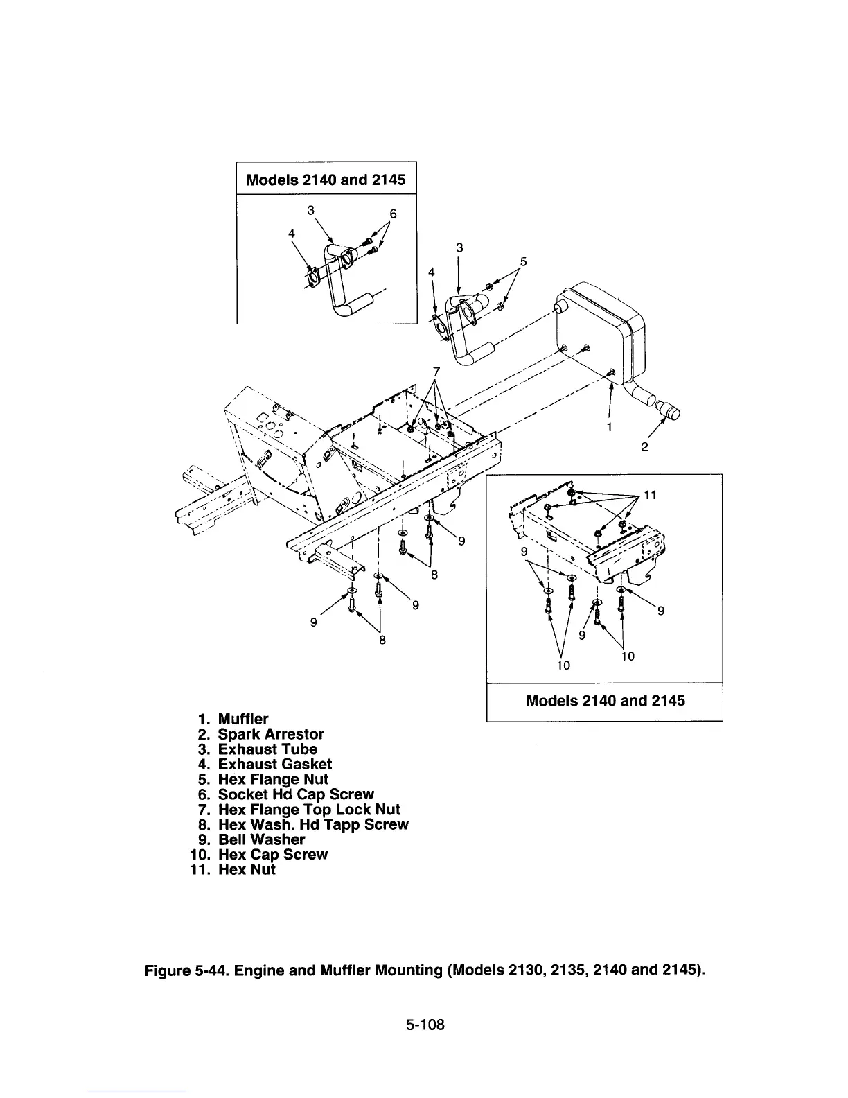
Cub Cadet 190-304 - Engine and Muffler Mounting (Models 2130, 2135, 2140 and 2145)

Cub Cadet 190-304
256 pages
Print Icon
To Next Page IconTo Next Page
To Next Page IconTo Next Page
To Previous Page IconTo Previous Page
To Previous Page IconTo Previous Page
Loading...

Table of Contents

Related product manuals