EasyManua.ls Logo

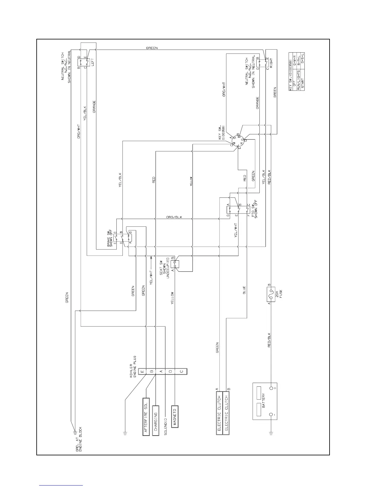
Cub Cadet 23HP Z-Force 60 - Wiring Diagram

Cub Cadet 23HP Z-Force 60
32 pages
Print Icon
To Next Page IconTo Next Page
To Next Page IconTo Next Page
To Previous Page IconTo Previous Page
To Previous Page IconTo Previous Page
Loading...
29
WIRING DIAGRAM
GD: 02000167

Related product manuals