EasyManua.ls Logo

Cub Cadet Challenger 700

Cub Cadet Challenger 700
244 pages
To Next Page IconTo Next Page
To Next Page IconTo Next Page
To Previous Page IconTo Previous Page
To Previous Page IconTo Previous Page
Loading...
Electrical
69
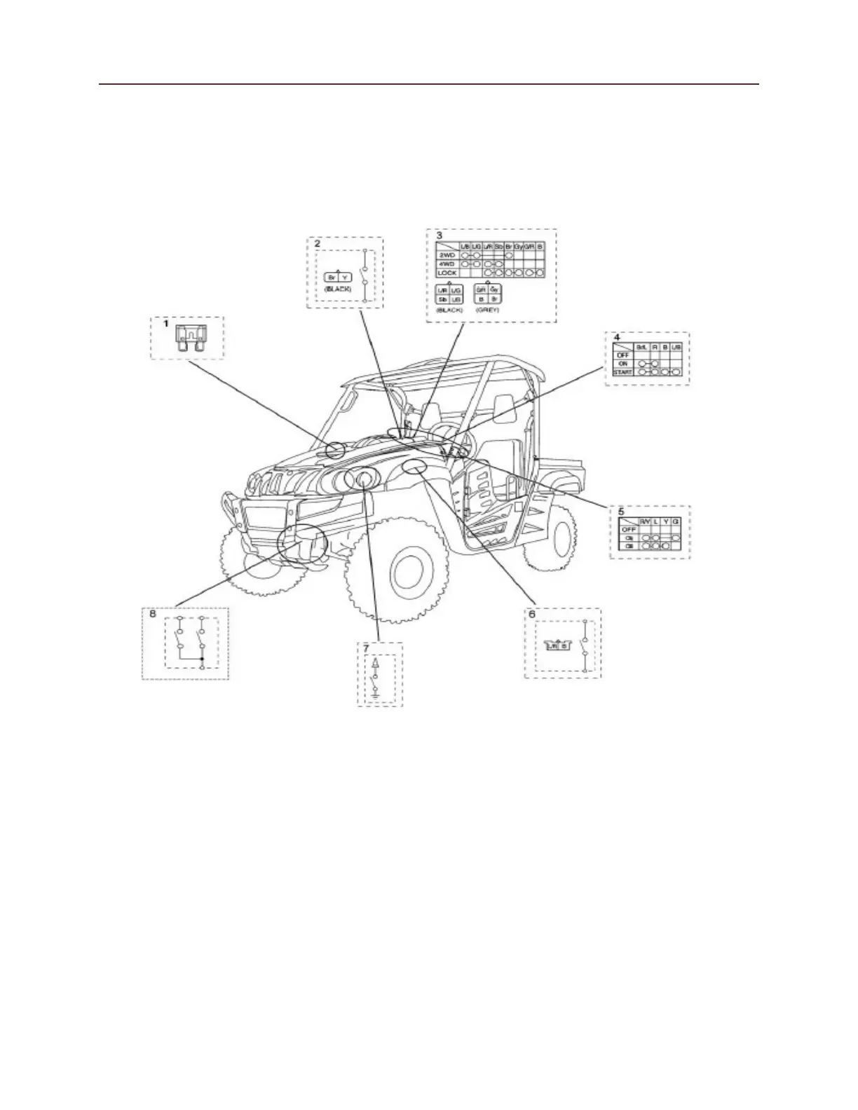
Checking the Switch Continuity
Refer to “CHECKING THE SWITCH” and check for continuity between lead terminals.
Poor connection, no continuity, correct or replace.
*
The coupler locations are circled.
1.
Fuse
2.
Brake light switch
3.
On-Command four-wheel drive switch and differential gear lock switch
4.
Main switch
5.
Light switch
6.
Parking brake switch
7.
Reverse switch
8.
Four-wheel drive switch

Other manuals for Cub Cadet Challenger 700

Related product manuals