EasyManua.ls Logo

Cub Cadet Challenger 700 - Page 81

Cub Cadet Challenger 700
244 pages
Print Icon
To Next Page IconTo Next Page
To Next Page IconTo Next Page
To Previous Page IconTo Previous Page
To Previous Page IconTo Previous Page
Loading...
Periodic
Maintenance
317
Maintenance and Adjustment of the UV
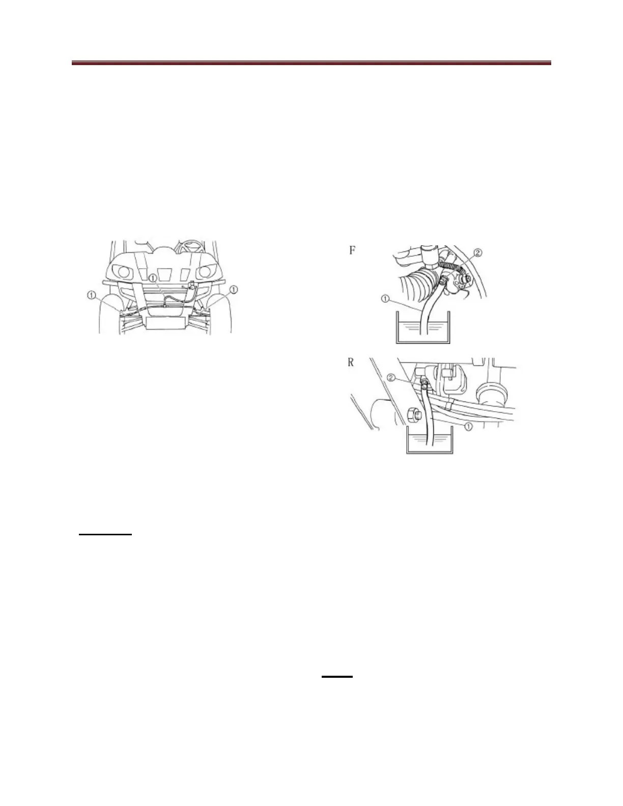
Checking the Brake Hoses and
Brake
Lines
1.
Remove:
·Driver seat
·Passenger seat
·Console and heat shield
2.
Lift the hood up.
3.
Lift the cargo bed.
4.
Check the following for cracks, wear or
damage and if needed, replace.
Front brake hoses
Front brake lines
Rear brake hoses
5.
Install:
Heat shield and console
Passenger’s seat
Driver’s seat
Bleeding the Hydraulic Brake
System
Warning:
Bleed the brake system if any of the
following have occurred.
The system has been
disassembled.
The brake hose or brake lines
have been loosened or removed.
The brake fluid has been very
low.
The brake operation has been
faulty.
1.
Locate the brake fluid reservoir.
2.
Add the proper brake fluid to the
reservoir.
3.
Install the diaphragm. Be careful not to
spill any fluid or allow the reservoir to
overflow.
4.
Connect a clear plastic hose (1) to the
caliper bleed screw (2).
5.
Place the other end of the hose into a
suitable catch container.
6.
Slowly apply the pressure to the brake
pedal several times.
7.
Push down the brake pedal and hold it.
8.
Loosen the bleed screw and allow the
brake pedal to push fluid out the bleed
screw.
9.
Tighten the bleed screw before the
pedal has been fully depressed.
10.
Release the brake pedal.
11.
Repeat this process until all the air
bubbles have disappeared from the
fluid.
Note:
Do not let the reservoir get low during
this process as this will allow more air
into the system.

Other manuals for Cub Cadet Challenger 700

Related product manuals