EasyManua.ls Logo

Cub Cadet SC2450 - 1. SAFETY PRECAUTIONS; About This Manual

Cub Cadet SC2450
180 pages
To Next Page IconTo Next Page
To Next Page IconTo Next Page
To Previous Page IconTo Previous Page
To Previous Page IconTo Previous Page
Loading...
Sc Series 10 Sc2450
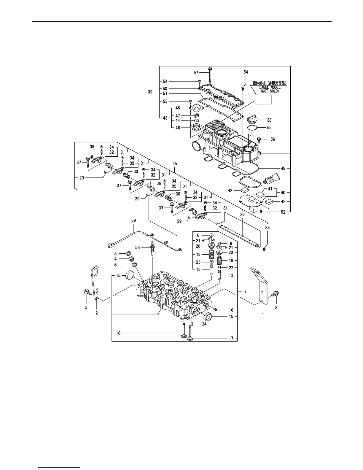
FIG. 4.CYLINDER HEAD & VALVE COVER
Copyright 2009 Cub Cadet Yanmar LLC

Other manuals for Cub Cadet SC2450

Related product manuals