EasyManua.ls Logo

Cub Cadet Yanmar Lx490

Cub Cadet Yanmar Lx490
230 pages
To Next Page IconTo Next Page
To Next Page IconTo Next Page
To Previous Page IconTo Previous Page
To Previous Page IconTo Previous Page
Loading...
Lx490Lx Series
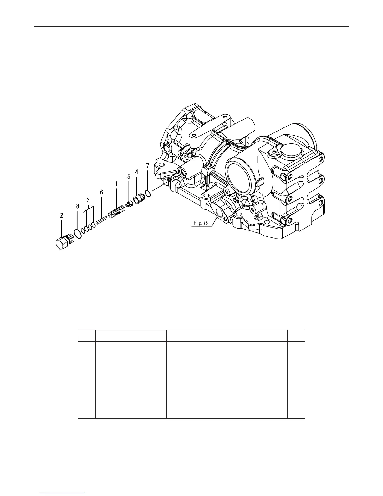
Fig 82. Safety Valve
Ref.
Part Number Description Qty
1 CY-1A7680-45320 SPRING 1
2 CY-1A7680453702 PLUG,SAFETY VALVE 1
3 CY-198220-46400 SHIM PACK 1
4 CY-1A7680-46410 SEAT,SAFETY VALVE 1
5 CY-194640-46420 POPPET, SAFETY VALVE 1
6 CY-22351-060030 SPRING PIN 6X30 1
7 CY-24315-000120 O-RING 1B P-12.0 1
8 CY-24315-000180 O-RING 1B P-18.0 1
Copyright 2011 Cub Cadet Yanmar LLC
153
Fig.82. SAFETY VALVE
0CNP5-G37900
0CNP5-G37900
82. SAFETY VALVE
(F)=
(E)=
(D)=
(C)=LX490
(B)=LX450
(A)=LX410
LEV.REF. PARTS NO. DESCRIPTION
RI
Q'TY
(F)(D)(C)(B)(A) (E)
SPRING1A7680-4532011 111
PLUG,SAFETY VALVE1A7680-45370-212 111
SHIM PACK198220-4640013 111
SEAT,SAFETY VALVE1A7680-4641014 111
POPPET, SAFETY VALVE194640-4642015 111
SPRING PIN 6X3022351-06003016 111
O-RING 1B P-12.024315-00012017 111
O-RING 1B P-18.024315-00018018 111
(C)Copy Rights YANMAR CO.,LTD.

Related product manuals