EasyManua.ls Logo

Cub Cadet Yanmar Lx490

Cub Cadet Yanmar Lx490
230 pages
To Next Page IconTo Next Page
To Next Page IconTo Next Page
To Previous Page IconTo Previous Page
To Previous Page IconTo Previous Page
Loading...
Lx490Lx Series
154
Copyright 2011 Cub Cadet Yanmar LLC
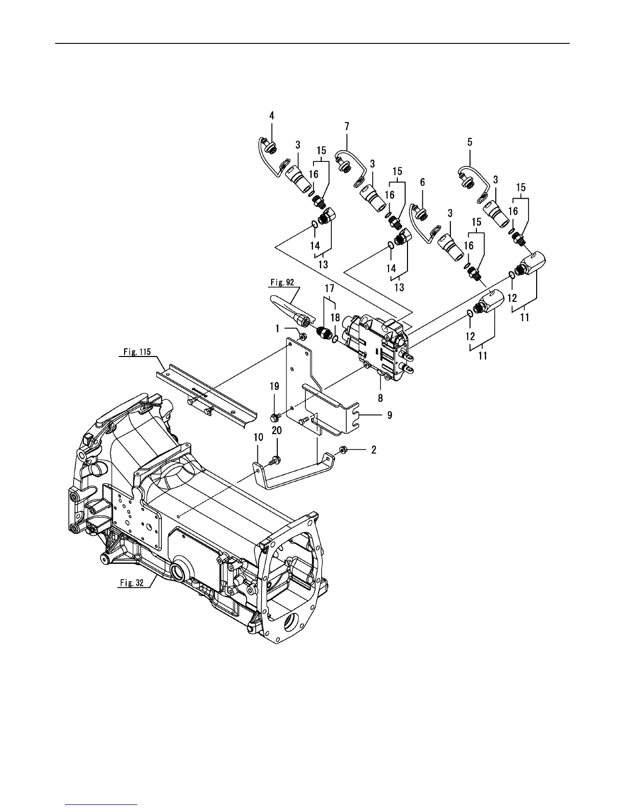
Fig 83. Loader Valve
Fig.83. LOADER VALVE
0CNP5-G37900
0CNP5-G37900
83. LOADER VALVE
(F)=
(E)=
(D)=
(C)=LX490
(B)=LX450
(A)=LX410
LEV.REF. PARTS NO. DESCRIPTION
RI
Q'TY
(F)(D)(C)(B)(A) (E)
NUT W/WASHER 8194990-2214011 222
NUT W/WASHER 8194990-2214012 111
COUPLER,QUICK 3/8F1A8160-4625013 444
PLUG, DUST RED1A8160-4628014 111
PLUG, DUST BLUE1A8160-4629015 111
PLUG, DUST YELLOW1A8160-4630016 111
PLUG, DUST GREEN1A8160-4631017 111
SCV ASSY,1A8250-4660018 111
SUPPORT ASSY, VALVE1A8250-4675019 111
SUPPORT,1A8250-46801110 111
ELBOW/HYD, 3/4UNF-L1A8250-48200111 222
O-RING 8-1194464-45930212 222
ELBOW/HYD, 3/4UNF1A8250-48210113 222
O-RING 8-1194464-45930214 222
JOINT/HYD,3/4UNF-3/81A8250-48220115 444
O-RING 8-1194464-45930216 444
FITTING/HYD, 3/4-7/81A8250-48350117 111
O-RING 8-1194464-45930218 111
BOLT M 8X 12 PLATED26106-080122119 333
BOLT M 8X 20 PLATED26106-080202120 111
(C)Copy Rights YANMAR CO.,LTD.

Related product manuals