EasyManua.ls Logo

Cub Cadet Yanmar Lx490

Cub Cadet Yanmar Lx490
230 pages
To Next Page IconTo Next Page
To Next Page IconTo Next Page
To Previous Page IconTo Previous Page
To Previous Page IconTo Previous Page
Loading...
Lx490Lx Series
168
Copyright 2011 Cub Cadet Yanmar LLC
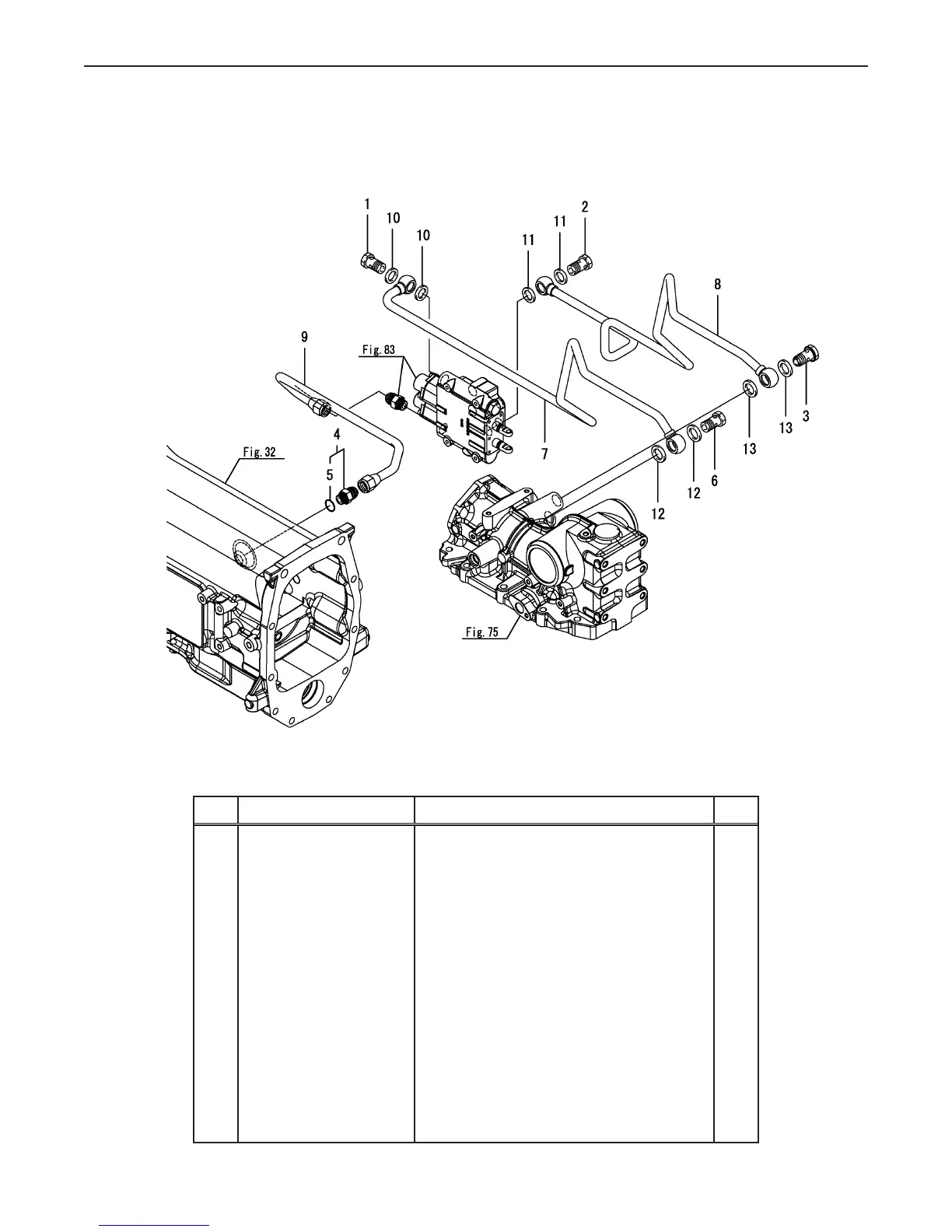
Fig 92. Hydraulic Line - Loader
Ref.
Part Number Description Qty
1 CY-198245-46680 BOLT 3/4-16 1
2 CY-198245-46680 BOLT 3/4-16 1
3 CY-1A8275-48030 BOLT,JOINT ASSY 1
4 CY-1A8250-48350 FITTING/HYD, 3/4-7/8 1
5 CY-194464-45930 O-RING 8-1 1
6 CY-1A7610-48360 JOINT,G1/2 1
7 CY-1A8250-48600 HP PIPE, SCV-P 1
8 CY-1A8250-48650 HP PIPE, SCV-C 1
9 CY-1A8250-48700 HP PIPE, SCV-T 1
10 CY-23414-190000 PACKING -19 2
11 CY-23414-190000 PACKING -19 2
12 CY-23414-210027 PACKING-21 2
13 CY-23414-210027 PACKING-21 2
Fig.92. HYDRAULIC LINE(LOADER
0CNP5-G37900
0CNP5-G37900
92. HYDRAULIC LINE(LOADER
(F)=
(E)=
(D)=
(C)=LX490
(B)=LX450
(A)=LX410
LEV.REF. PARTS NO. DESCRIPTION
RI
Q'TY
(F)(D)(C)(B)(A) (E)
BOLT 3/4-16198245-4668011 111
BOLT 3/4-16198245-4668012 111
BOLT,JOINT ASSY1A8275-4803013 111
FITTING/HYD, 3/4-7/81A8250-4835014 111
O-RING 8-1194464-4593025 111
JOINT,G1/21A7610-4836016 111
HP PIPE, SCV-P1A8250-4860017 111
HP PIPE, SCV-C1A8250-4865018 111
HP PIPE, SCV-T1A8250-4870019 111
PACKING -1923414-190000110 222
PACKING -1923414-190000111 222
PACKING-2123414-210027112 222
PACKING-2123414-210027113 222
(C)Copy Rights YANMAR CO.,LTD.

Related product manuals