EasyManua.ls Logo

Cub Cadet Yanmar Lx490 - Page 190

Cub Cadet Yanmar Lx490
230 pages
Print Icon
To Next Page IconTo Next Page
To Next Page IconTo Next Page
To Previous Page IconTo Previous Page
To Previous Page IconTo Previous Page
Loading...
Lx490Lx Series
190
Copyright 2011 Cub Cadet Yanmar LLC
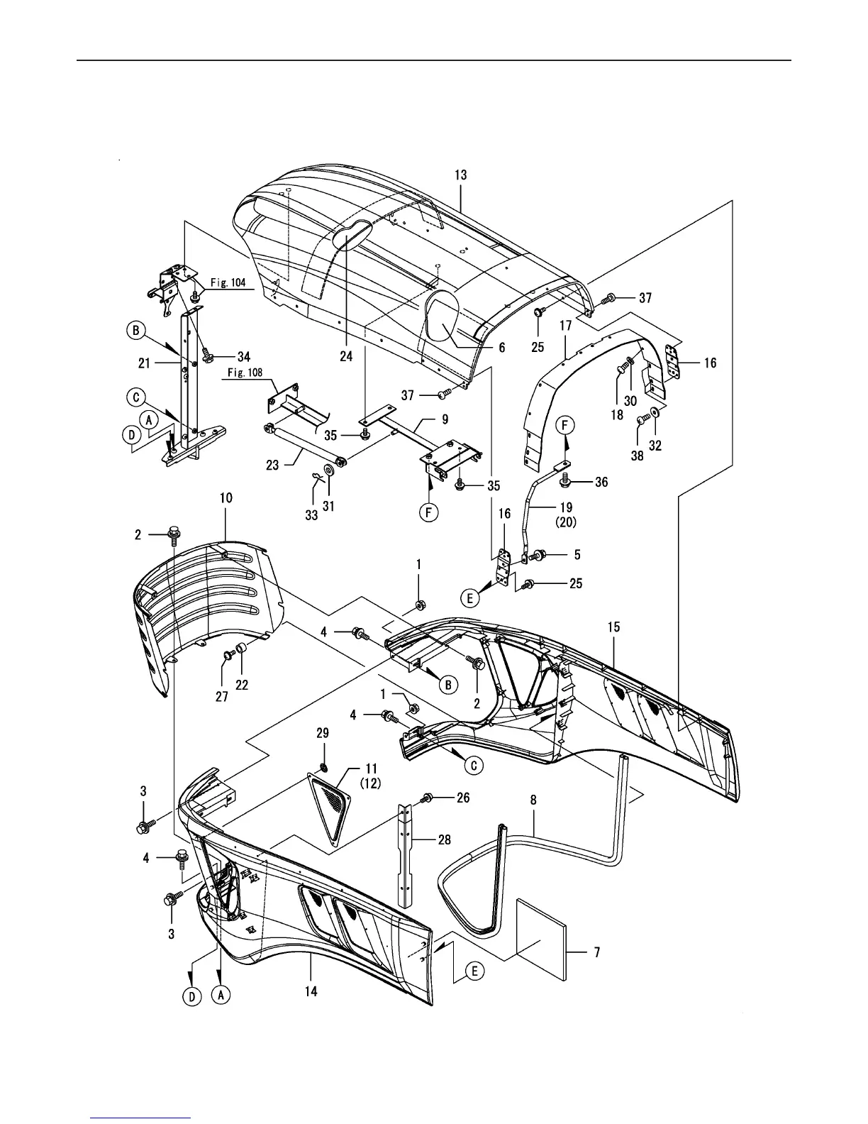
Fig 109. Hood
Fig.109. HOOD
0CNP5-G37900
0CNP5-G37900
109. HOOD
(F)=
(E)=
(D)=
(C)=LX490
(B)=LX450
(A)=LX410
LEV.REF. PARTS NO. DESCRIPTION
RI
Q'TY
(F)(D)(C)(B)(A) (E)
NUT W/WASHER 6194990-2213011 222
BOLT M6X20198072-6059012 444
BOLT M6X20198072-6059013 222
BOLT M6X20198072-6059014 666
BOLT M6X20198072-6059015 222
INSULATOR, HOOD1A8250-6061016 111
INSULATOR,HOOD LOWER1A8250-6062017 111
WEATHER STRIP,1A7180-6075018 111
HINGE ASSY, HOOD1A8240-6090019 111
NET ASSY, HOOD1A7180-61050110 111
NET L, GRILL1A7180-61070111 111
NET R, GRILL1A7180-61080112 111
HOOD ASSY, TOP1A8265-61100113 111
HOOD ASSY, LOWER L1A8250-61130114 111
HOOD ASSY, LOWER R1A8250-61140115 111
BRACKET, HOOD LOWER1A8265-61180116 222
RUBBER, HOOD1A8265-61190117 111
SCREW, #10-32X3/81A8265-61240118 888
ROD CMP, HOOD LH1A8265-61250119 111
ROD CMP, HOOD RH1A8265-61280120 111
STAY ASSY, LOCK1A8265-61300121 111
COLLAR, 10X15X101A8070-61330122 666
SPRING, GAS 7001A8250-61400123 111
URETHANE, HOOD UPPER1A7180-61410124 111
SCREW 5X16194940-61790125 141414
SCREW 5X16194940-61790126 666
SCREW 5X16194940-61790127 666
STAY, HOOD SIDE1A7180-61810-1128 222
NUT M5,SPEED198071-65610129 666
WASHER 5, POLISHED22137-050000130 888
WASHER 10,POLISHED22137-100000131 111
WASHER 622157-060000132 666
SNAP PIN 1022372-100000133 111
BOLT M 8X 12 PLATED26106-080122134 222
BOLT M 8X 12 PLATED26106-080122135 444
BOLT M 8X 16 PLATED26106-080162136 222
SCREW M 6X 1026589-060102137 444
SCREW M 6X 1026589-060102138 666
(C)Copy Rights YANMAR CO.,LTD.

Related product manuals