EasyManua.ls Logo

Cub Cadet Yanmar Lx490 - Page 196

Cub Cadet Yanmar Lx490
230 pages
Print Icon
To Next Page IconTo Next Page
To Next Page IconTo Next Page
To Previous Page IconTo Previous Page
To Previous Page IconTo Previous Page
Loading...
Lx490Lx Series
196
Copyright 2011 Cub Cadet Yanmar LLC
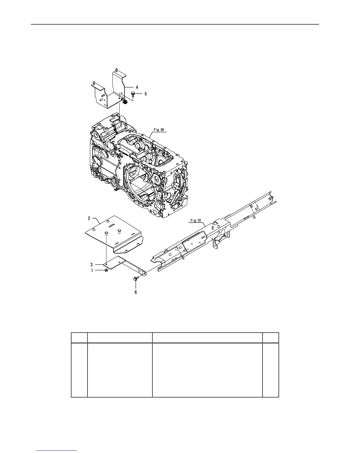
Fig 113. Fender Parts
Ref.
Part Number Description Qty
1 CY-194990-22140 NUT W/WASHER 8 4
2 CY-1A8250 - 62170 COVER, LAMP ASSY 2
3 CY-1A8250-62250 BRACKET ASSY, REAR 2
4 CY-1A8250-63050 BRACKET ASSY, F UNIT 1
5 CY-26106-080162 BOLT M 8X 16 PLATED 2
6 CY-26106-080202 BOLT M 8X 20 PLATED 4
Fig.113. FENDER PARTS
0CNP5-G37900
0CNP5-G37900
113. FENDER PARTS
(F)=
(E)=
(D)=
(C)=LX490
(B)=LX450
(A)=LX410
LEV.REF. PARTS NO. DESCRIPTION
RI
Q'TY
(F)(D)(C)(B)(A) (E)
NUT W/WASHER 8194990-2214011 444
COVER, LAMP ASSY1A8250-6217012 222
BRACKET ASSY, REAR1A8250-6225013 222
BRACKET ASSY, F UNIT1A8250-6305014 111
BOLT M 8X 16 PLATED26106-08016215 222
BOLT M 8X 20 PLATED26106-08020216 444
(C)Copy Rights YANMAR CO.,LTD.

Related product manuals