EasyManua.ls Logo

Cub Cadet Yanmar Lx490 - Page 49

Cub Cadet Yanmar Lx490
230 pages
To Next Page IconTo Next Page
To Next Page IconTo Next Page
To Previous Page IconTo Previous Page
To Previous Page IconTo Previous Page
Loading...
Lx490Lx Series
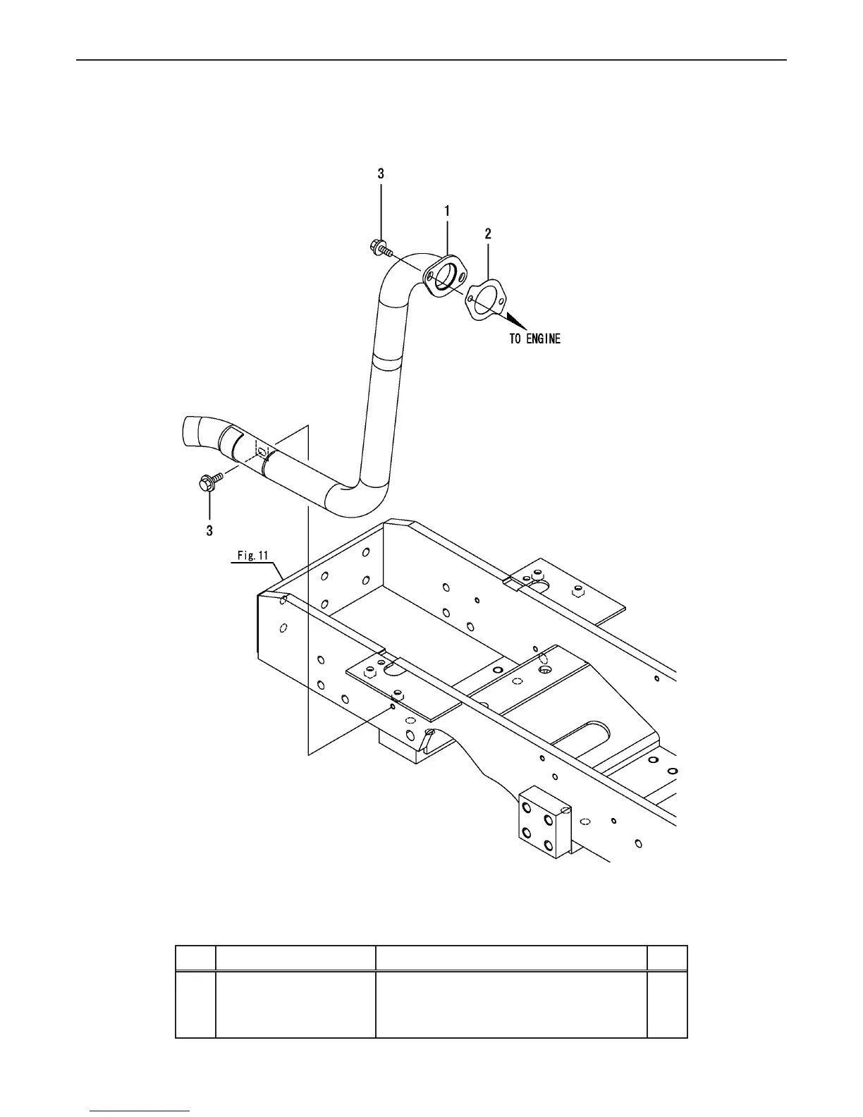
Ref.
Part Number Description Qty
1 CY-1A8250-03100 MUFFLER PIPE 1
2 CY-129052-13550 GASKET 1
3 CY-26106-080202 BOLT M 8X 20 PLATED 3
Copyright 2011 Cub Cadet Yanmar LLC
49
Fig 8. Exhaust
Fig.8. EXHAUST
0CNP5-G37900
0CNP5-G37900
8. EXHAUST
(F)=
(E)=
(D)=
(C)=LX490
(B)=LX450
(A)=LX410
LEV.REF. PARTS NO. DESCRIPTION
RI
Q'TY
(F)(D)(C)(B)(A) (E)
MUFFLER PIPE1A8250-0310011 111
GASKET129052-1355012 111
BOLT M 8X 20 PLATED26106-08020213 333
(C)Copy Rights YANMAR CO.,LTD.

Related product manuals