EasyManua.ls Logo

Cub Cadet Yanmar Lx490 - Page 56

Cub Cadet Yanmar Lx490
230 pages
Print Icon
To Next Page IconTo Next Page
To Next Page IconTo Next Page
To Previous Page IconTo Previous Page
To Previous Page IconTo Previous Page
Loading...
Lx490Lx Series
56
Copyright 2011 Cub Cadet Yanmar LLC
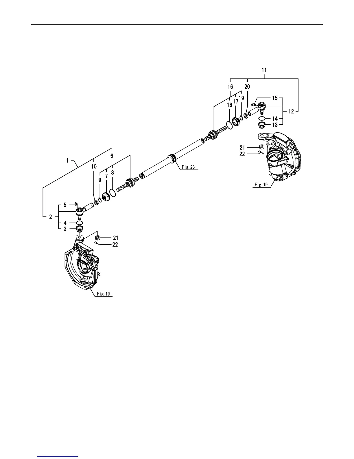
Fig 13. Tie Rod
Fig.13. TIE ROD
0CNP5-G37900
0CNP5-G37900
13. TIE ROD
(F)=
(E)=
(D)=
(C)=LX490
(B)=LX450
(A)=LX410
LEV.REF. PARTS NO. DESCRIPTION
RI
Q'TY
(F)(D)(C)(B)(A) (E)
TIE-ROD ASSY, L1A8275-1231011 111
END ASSY, ROD L1A8275-1233022 111
COVER, DUST1A8275-1244033 111
RING, COVER1A8275-1245034 111
GREASE NIPPLES1A8275-1246035 111
END ASSY, RACK L1A8275-1251026 111
COVER, DUST1A8275-1258037 111
RING, COVER1A8275-1259038 111
CLIP,1A8275-1260039 111
NUT, M201A8275-12610210 111
TIE-ROD ASSY, R1A8275-12320111 111
END ASSY, ROD R1A8275-12340212 111
COVER, DUST1A8275-12440313 111
RING, COVER1A8275-12450314 111
GREASE NIPPLES1A8275-12460315 111
END ASSY, RACK R1A8275-12520216 111
COVER, DUST1A8275-12580317 111
RING, COVER1A8275-12590318 111
CLIP,1A8275-12600319 111
NUT, M201A8275-12610220 111
NUT,CASTLE1A8275-12470121 222
COTTER PIN 4.0X4022417-400400122 222
(C)Copy Rights YANMAR CO.,LTD.

Related product manuals