EasyManua.ls Logo

Cub Cadet Yanmar Lx490

Cub Cadet Yanmar Lx490
230 pages
To Next Page IconTo Next Page
To Next Page IconTo Next Page
To Previous Page IconTo Previous Page
To Previous Page IconTo Previous Page
Loading...
Lx490Lx Series
72
Copyright 2011 Cub Cadet Yanmar LLC
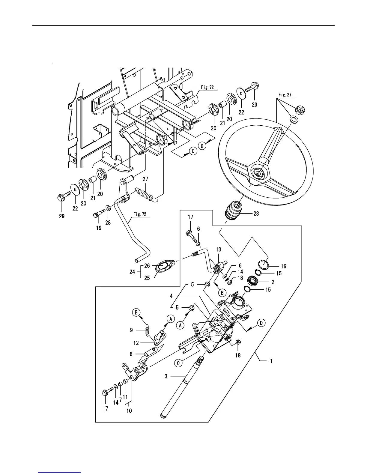
Fig 26. Steering Column
Fig.26. STEERING COLUMN
0CNP5-G37900
0CNP5-G37900
26. STEERING COLUMN
(F)=
(E)=
(D)=
(C)=LX490
(B)=LX450
(A)=LX410
LEV.REF. PARTS NO. DESCRIPTION
RI
Q'TY
(F)(D)(C)(B)(A) (E)
COLUMN UNIT,STEERING1A8240-1550011 111
BEARING, 6904LLU1A8240-1524022 111
SHAFT, STEERING1A8240-1532023 111
COLUMN ASSY, STG1A8240-1560024 111
BEARING, 15 X 824550-01508035 222
COLLAR, 8.2X14X5.31A8240-2703026 222
COLLAR, 12X8X101A8240-2705027 111
PIN, CONNECTING1A8240-2709028 111
SPRING, RETURN198200-2724029 111
A
RM ASS
Y
, REVERSER1A8240-27250210 111
BUSH 12X 824550-012080311 111
SHAFT, REVERSER1A8240-27400212 111
LEVER, REVERSER1A8240-27460213 111
WASHER 8, POLISHED22137-080000214 222
CIRCLIP 2022242-000200215 222
CIRCLIP 3722252-000370216 111
BOLT M 8X 35 PLATED26106-080352217 222
U-NUT, M826346-080002218 222
PIN,TILT LOCK1A7180-15710119 111
BUSSING,TILT1A7640-15710120 444
COLLAR, 17.3X10X221A8240-15720121 222
WASHER, 10.5X44X2.31A8240-15730122 222
BOOT, STEERING1A8250-17470123 111
KNOB;REVERSER LEVER198200-18350124 111
KNOB, ORANGE198273-18360225 111
LABEL,198200-18370226 111
SPRING,RETURN198290-37510127 111
SPRING WASHER 1022217-100000128 111
BOLT M10X 40 PLATED26106-100402129 222
(C)Copy Rights YANMAR CO.,LTD.

Related product manuals