EasyManua.ls Logo

Cub Cadet Yanmar Lx490 - Page 90

Cub Cadet Yanmar Lx490
230 pages
To Next Page IconTo Next Page
To Next Page IconTo Next Page
To Previous Page IconTo Previous Page
To Previous Page IconTo Previous Page
Loading...
Lx490Lx Series
90
Copyright 2011 Cub Cadet Yanmar LLC
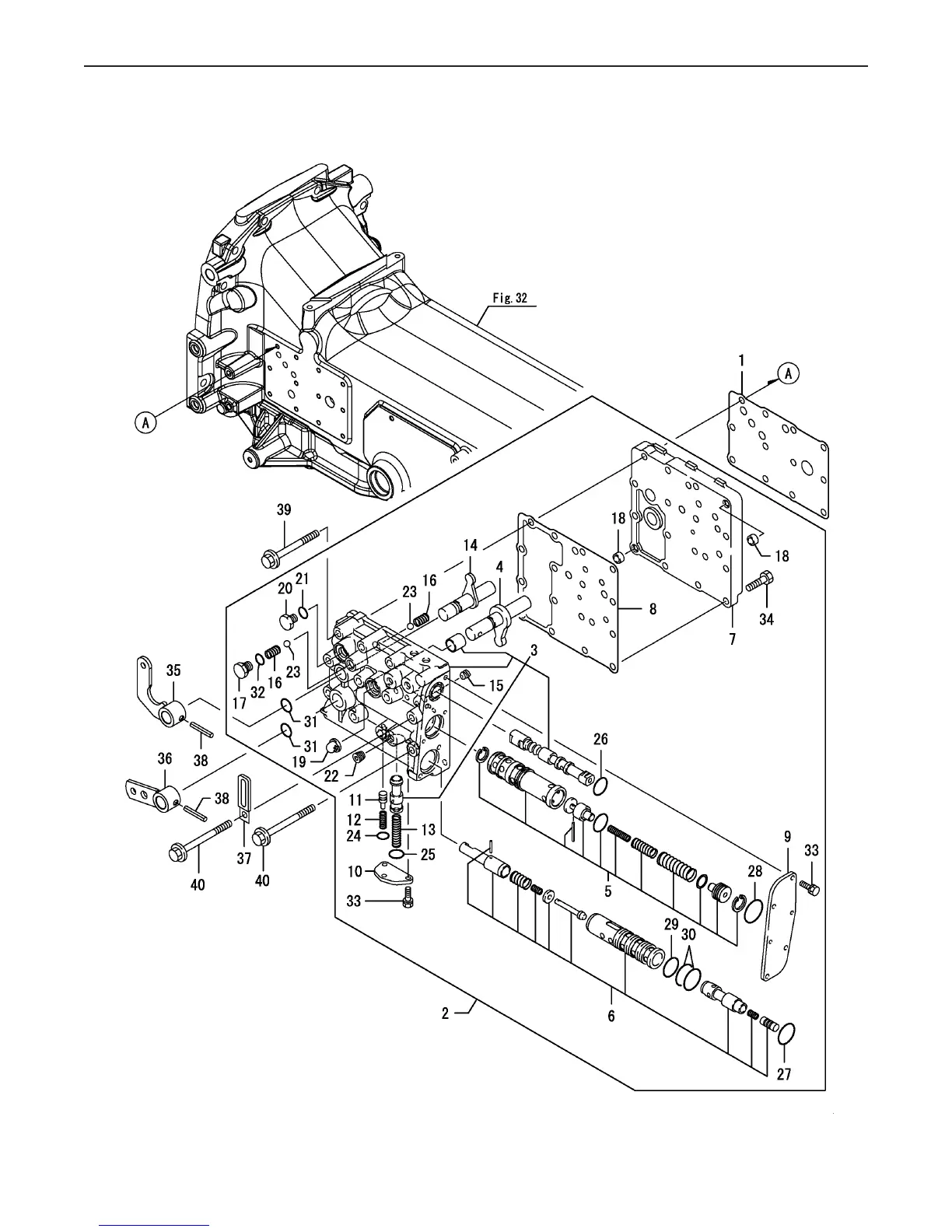
Fig 38. Reverser Valve
Fig.38. REVERSER VALVE
0CNP5-G37900
0CNP5-G37900
38. REVERSER VALVE
(F)=
(E)=
(D)=
(C)=LX490
(B)=LX450
(A)=LX410
LEV.REF. PARTS NO. DESCRIPTION
RI
Q'TY
(F)(D)(C)(B)(A) (E)
GASKET, PR VALVE198212-2428111 111
VALVE ASS
Y
, REVERSE1A7450-2430112 111
VALVECASE CMP168201-0101123 111
A
RM CLUTCH,CMP168201-0135024 111
DRV CMP168201-0155025 111
CLUTCH VALVE CMP168201-0160026 111
PLATE,VALVE198213-2434127 111
GASKET, VALVE CASE198213-2435028 111
COVER, SPOOL198213-2436029 111
COVER, RELIEF198213-24370210 111
VALVE, RELIEF198213-24390211 111
SPRING, RELIEF198213-24400212 111
SPRING, CUT-OF198213-24420213 111
SHIFT ARM CMP198213-24441214 111
ORIFICE192180-24730215 111
SPRING192180-24740216 222
PLUG 1/2-20 UNF192157-26460217 111
PIN 11X7194521-41570218 222
STRAINER A194556-42220219 111
PLUG 9/16194850-49240220 111
PACKING 6-1194850-49290221 111
PLUG PT1/8,SCREW23871-010000222 333
BALL 5/16, STEEL24190-100001223 222
O-RING 1A P-12.524311-000125224 111
O-RING 1A P-18.024311-000180225 111
O-RING 1A P-22.024311-000220226 111
O-RING 1A P-29.024311-000290227 111
O-RING 1A P-32.024311-000320228 111
O-RING, 1A S22.024341-000220229 111
O-RING 1A S-22.424341-000224230 222
O-RING, 1A 1901424351-190140231 222
PACKING 1A AS 90524361-090500232 111
BOLT M 6X 1626016-060162233 999
BOLT M 8X 3026016-080302234 444
A
RM, SHIFT1A8275-24420135 111
A
RM, SHIFT1A8275-24470136 111
CLAMP, WIRE HARNESS194440-51620137 111
SPRING PIN 6X3622351-060036138 222
BOLT M 8X 80 PLATED26106-080802139 101010
BOLT M 8X 95 PLATED26106-080952140 222
(C)Copy Rights YANMAR CO.,LTD.

Related product manuals