EasyManua.ls Logo

Dacor DMT2420B - Page 10

Dacor DMT2420B
38 pages
Print Icon
To Next Page IconTo Next Page
To Next Page IconTo Next Page
To Previous Page IconTo Previous Page
To Previous Page IconTo Previous Page
Loading...
8
DMT2420B
DMT2420R
DMT2420S
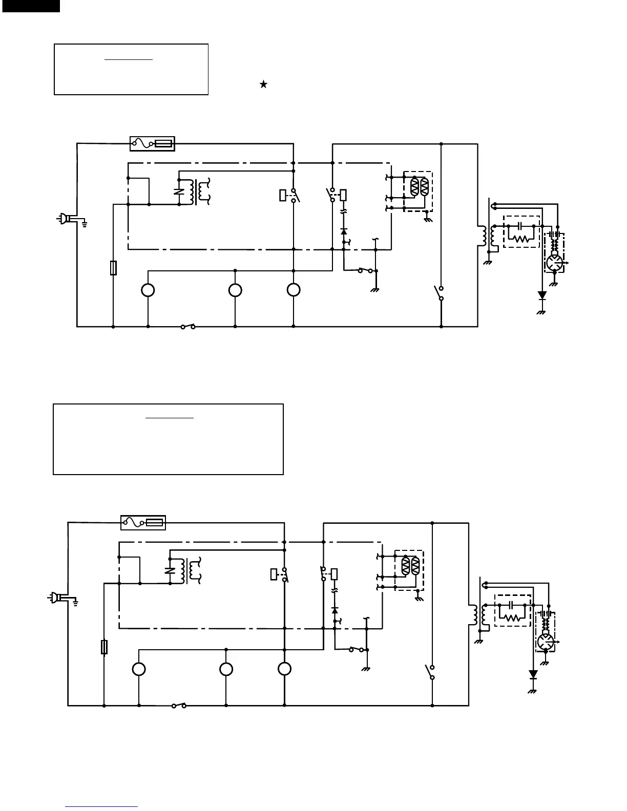
Figure O-1. Oven Schematic-Off Condition
SCHEMATIC
NOTE: CONDITION OF OVEN
1. DOOR CLOSED.
2. CLOCK APPEARS ON DISPLAY.
SCHEMATIC
NOTE: CONDITION OF OVEN
1. DOOR CLOSED.
2. COOKING TIME PROGRAMMED.
3. VARIABLE COOKING CONTROL "P-HI/ 100 PERCENT".
4. "START" PAD TOUCHED.
Figure O-2. Oven Schematic-Cooking Condition
NOTE: Indicates components with potential above 250 V.
HIGH
VOLTAGE
RECTIFIER
HIGH
VOLTAGE
CAPACITOR
POWER
TRANSFORMER
MAGNETRON
RED
WHT
WHT
RED
MONITOR
SWITCH
(RY1)
(RY2)
DOOR
SENSING
SWITCH
FAN
MOTOR
OVEN
LAMP
WHT
SECONDARY
INTERLOCK
SWITCH
TURN
TA B L E
MOTOR
WHT
A1
120V AC
60Hz
N
GND
GRN
C/T
FUSE
RE
D
COM
SENSOR
CONTROL UNIT
BLK
H
A2
CAVITY
TEMP
FUSE
HUMIDITY
N.O.
N.C.
COM
ORG
BRN
ORG
WHT
WHT
F3
F2
F1
B2
B1
COM
N.O.
BLU
PRIMARY
INTERLOCK
RELAY
N.O.
WHT
N.O.
GRY/WHT
RED
COM
BRN
BLU
ORG
OL
TTM
FM
HIGH
VOLTAGE
RECTIFIER
HIGH
VOLTAGE
CAPACITOR
POWER
TRANSFORMER
MAGNETRON
RED
WHT
WHT
RED
MONITOR
SWITCH
(RY1)
(RY2)
DOOR
SENSING
SWITCH
FAN
MOTOR
OVEN
LAMP
WHT
SECONDARY
INTERLOCK
SWITCH
TURN
TA B L E
MOTOR
WHT
A1
120V AC
60Hz
N
GND
GRN
C/T
FUSE
RE
D
COM
SENSOR
CONTROL UNIT
BLK
H
A2
CAVITY
TEMP
FUSE
HUMIDITY
N.O.
N.C.
COM
ORG
BRN
ORG
WHT
WHT
F3
F2
F1
B2
B1
COM
N.O.
BLU
PRIMARY
INTERLOCK
RELAY
N.O.
WHT
N.O.
GRY/WHT
RED
COM
BRN
BLU
ORG
OL
TTM
FM

Related product manuals