EasyManua.ls Logo

Dacor Epicure EOG36 - Electrical Schematics

Dacor Epicure EOG36
16 pages
Print Icon
To Next Page IconTo Next Page
To Next Page IconTo Next Page
To Previous Page IconTo Previous Page
To Previous Page IconTo Previous Page
Loading...
10
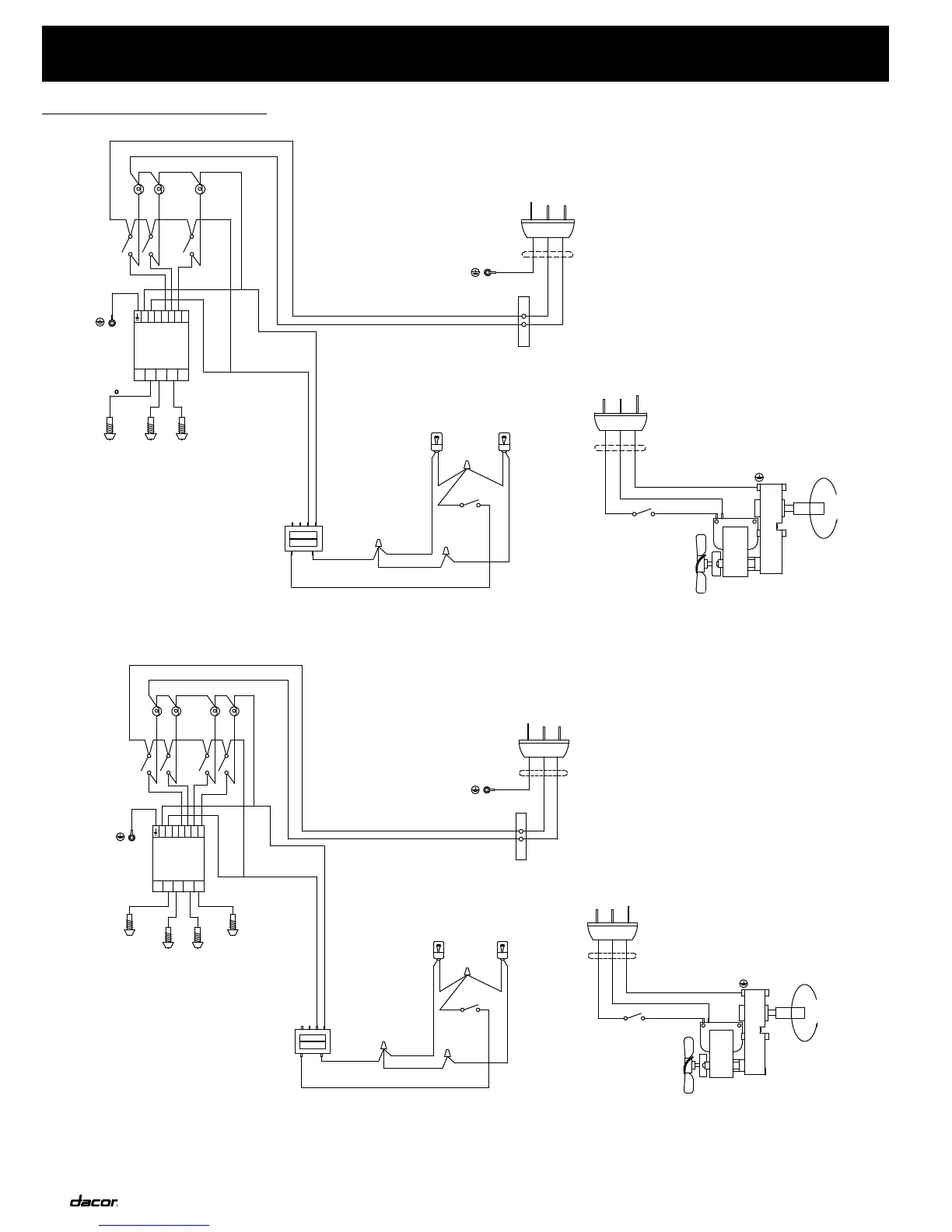
in s T a l l a T i o n in s T R u C T i o n s
Electrical Schematics
GN
W
BK
PLUGS
IGNITION
4 POINT
RE-IGNITER
S2S4 S3 S1
GN
N
A 34
S4
S3
2 1
S2
LIGHTS
INDICATOR
W
BK
BK
PLUG
TERMINAL BLOCK
N
L1
BK
W
BK
BK
GN
W
W
FOR OUTDOOR USE
SUPPLY CORD & STRAIN RELIEF
3-PRONG
10
1
2 3 5
W
SECONDARY
12VAC
DUAL PRIMARY
120VAC INPUT EACH
INFRARED
BURNER
LEFT
GRILL
BURNER
RIGHT
GRILL
BURNER
W
BK
BK
BK
W
W
BK
BK
BK
BK
BK
BK
W
BK
O
BK BK
W
BK
BK
W
W
BR
HALOGEN LIGHT
SWITCH
LEFT HALOGEN LIGHT
10W, 12V
BR BR
BK
BK
BK
BK
BK
W
GN
SUPPLY CORD & STRAIN RELIEF
FOR OUTDOOR USE
BK
W
PLUG
3-PRONG
BK
BK
W GN
BKBK
W
GN
ROTISSERIE
SWITCH
CCW ROTATION
ROTISSERIE BOX DIAGRAM
60 Hz
120VAC, 0.65A
2VA, 120VAC 60Hz
HALOGEN LIGHTS
TRANSFORMER
BR
10W, 12V
RIGHT HALOGEN LIGHT
BR
BR
W
BK RED
RED
EOG303 Electrical Schematic
GN
W
BK
PLUGS
IGNITION
4 POINT
RE-IGNITOR
S2
S4
S3
S1
GN
N
A
3
4
S4
S3
2 1
S2
S1
LIGHTS
INDICATOR
W
BK BK
PLUG
TERMINAL BLOCK
N
L1
BK
W
BK
BK
GN
W
W
FOR OUTDOOR USE
SUPPLY CORD & STRAIN RELIEF
3-PRONG
INFARED
BURNER
LEFT
GRILL
BURNER
CENTER
GRILL
BURNER
RIGHT
GRILL
BURNER
W
BK
BK
BK
BK
W
W
BK
BK
BK BK
BK
BK
BK
BK
W
BK
O
BK BK
BK
W
BK BK
BK
BK
BK BK
BK
GN
SUPPLY CORD & STRAIN RELIEF
FOR OUTDOOR USE
BK
W
PLUG
3-PRONG
BK
BK
W GN
BKBK
W
GN
ROTISSERIE
SWITCH
CCW ROTATION
ROTISSERIE BOX DIAGRAM
60 Hz
120VAC, 0.65A
2VA, 120VAC
60Hz
TRANSFORMER
HALOGEN LIGHTS
BK
120VAC INPUT EACH
DUAL PRIMARY
12VAC
SECONDARY
W
532
1
10
6
RED
REDBK
W
BR
BR
RIGHT HALOGEN LIGHT
10W, 12V
BRBRBR
10W, 12V
LEFT HALOGEN LIGHT
SWITCH
HALOGEN LIGHT
BR
W
EOG36 Electrical Schematic

Related product manuals