EasyManua.ls Logo

Dacor REMP3 - Page 5

Dacor REMP3
8 pages
Print Icon
To Next Page IconTo Next Page
To Next Page IconTo Next Page
To Previous Page IconTo Previous Page
To Previous Page IconTo Previous Page
Loading...
4
N1
L1
N2
BLK
WHT 120VAC, 60Hz, 15A
Supply power from
dedicated circuit breaker
GRN
WHT
L2
BLK
BLK
WHT
Gnd
GRN
Gnd
GRN
RV
L2
N2
Gnd
GRN
WHT
BLK
CABP3
L2
N2
Gnd
GRN
WHT
BLK
REMP
J-BOX
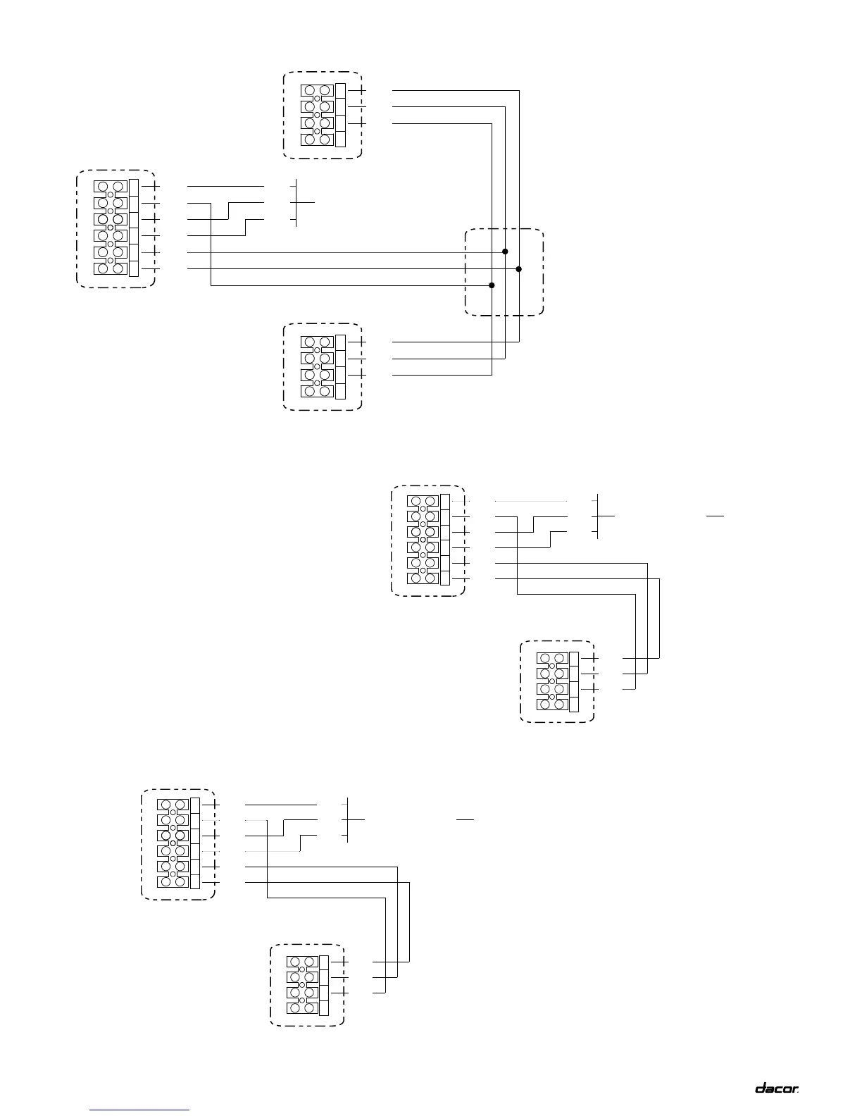
Wiring of RV with REMP and CABP3
N1
L1
N2
L2
N2
Gnd
BLK
WHT
120VAC, 60Hz, 15A
Supply power from
dedicated circuit breaker
GRN
WHT
L2
BLK
BLK
WHT
Gnd
GRN
Gnd
GRN
GRN
WHT
BLK
RV
REMP OR CABP3
Wiring of RV with REMP or CABP3
N1
L1
N2
L2
N2
Gnd
BLK
WHT
120VAC, 60Hz, 15A
Supply power from
dedicated circuit breaker
GRN
WHT
L2
BLK
BLK
WHT
Gnd
GRN
Gnd
GRN
GRN
WHT
BLK
ERV/PRV
REMP
Wiring of ERV/PRV with REMP

Other manuals for Dacor REMP3

Related product manuals