EasyManua.ls Logo

Dacor REMP3 - Page 6

Dacor REMP3
8 pages
Print Icon
To Next Page IconTo Next Page
To Next Page IconTo Next Page
To Previous Page IconTo Previous Page
To Previous Page IconTo Previous Page
Loading...
5
L1
N1
Gnd
L2
N2
Gnd
L2
N2
Gnd
GRN
WHT
BLK
L2
N2
Gnd
GRN
WHT
120VAC, 60Hz, 15A
Supply power from
dedicated circuit breaker
BLK
GRN
WHT
BLK
GRN
WHT
BLK
GRN
WHT
BLK
ILB
REMP
J-BOX
REMOTE BLOWER/
HOOD
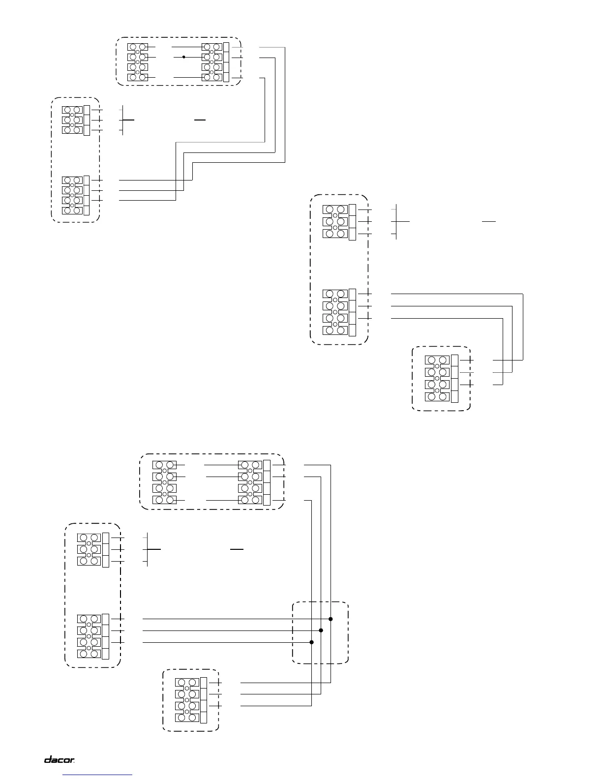
Wiring of DACOR Remote Blower/Hood with ILB and REMP
L1
N1
Gnd
L2
N2
Gnd
L2
N2
Gnd
GRN
WHT
120VAC, 60Hz, 15A
Supply power from
dedicated circuit breaker
BLK
GRN
WHT
BLK
GRN
WHT
BLK
REMP
HOOD
Wiring of DACOR Hood with REMP
L1
N1
Gnd
L2
N2
Gnd
L2
N2
Gnd
GRN
WHT
BLK
GRN
WHT
120VAC, 60Hz, 15A
Supply power from
dedicated circuit breaker
BLK
GRN
WHT
BLK
HOOD
ILB
GRN
WHT
BLK
Wiring of DACOR Hood with ILB

Other manuals for Dacor REMP3

Related product manuals