EasyManua.ls Logo

DAEWOO ELECTRONICS E1032D - 7 Software Upgrading (Upgrading Method); 8 Key Board and IR LED Board Sch

DAEWOO ELECTRONICS E1032D
36 pages
Print Icon
To Next Page IconTo Next Page
To Next Page IconTo Next Page
To Previous Page IconTo Previous Page
To Previous Page IconTo Previous Page
Loading...
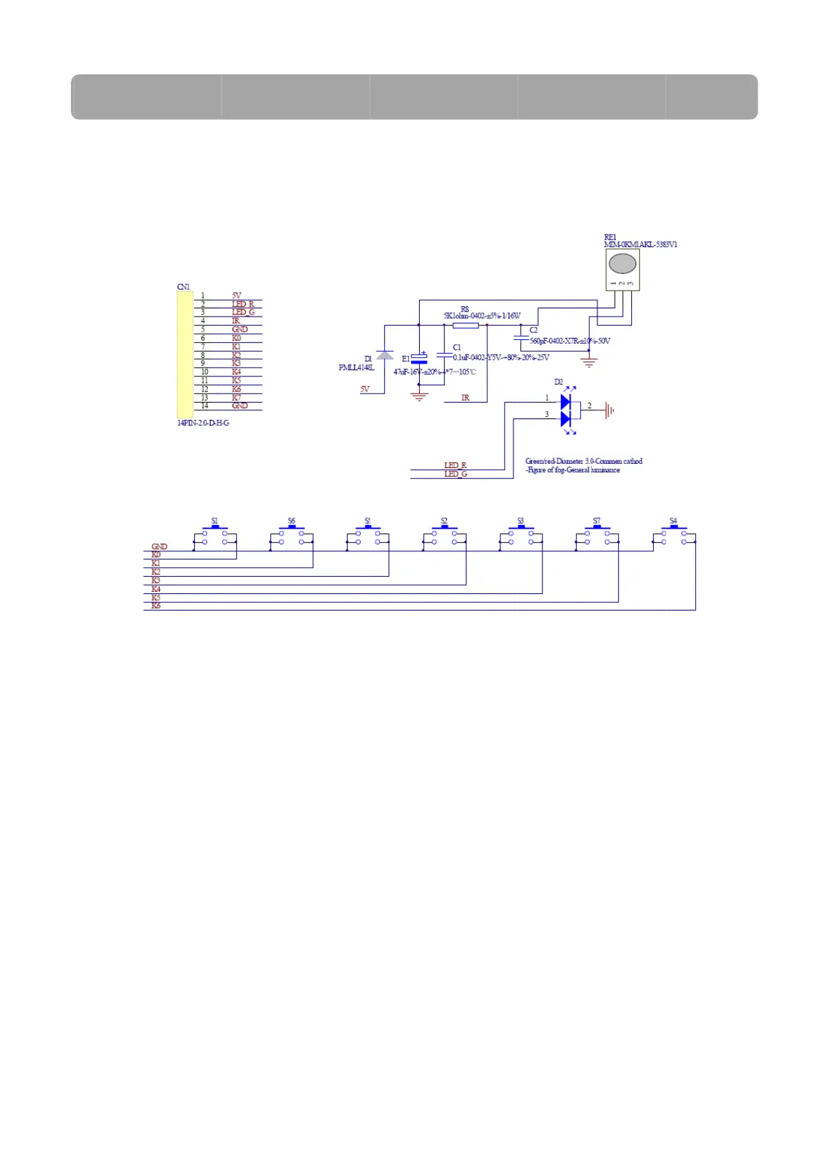
8.
Key B
o
o
ard
a
Ser
v
Ser
v
a
nd I
R
v
ice M
a
13
v
ice M
a
R
LED
a
nual
a
nual
Board Sch.