EasyManua.ls Logo

DAEWOO ELECTRONICS KOR-61AP2S - Page 41

DAEWOO ELECTRONICS KOR-61AP2S
60 pages
Print Icon
To Next Page IconTo Next Page
To Next Page IconTo Next Page
To Previous Page IconTo Previous Page
To Previous Page IconTo Previous Page
Loading...
41
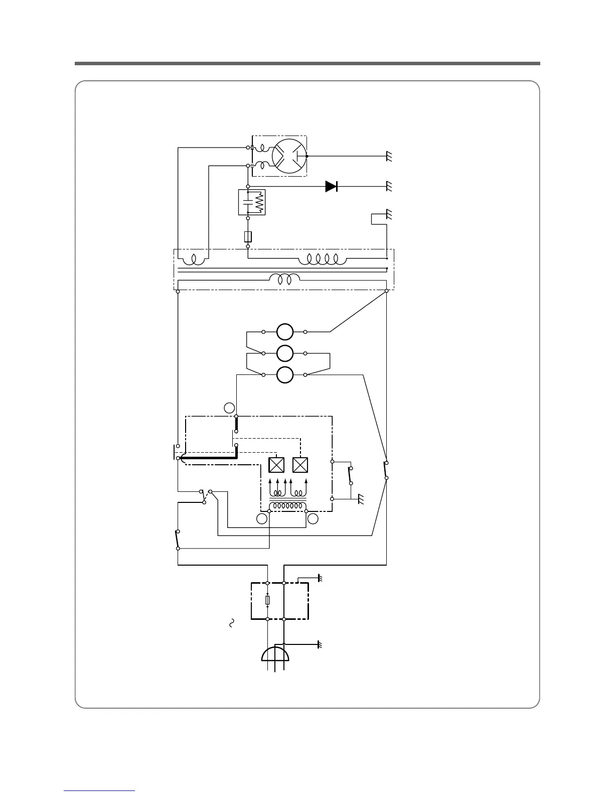
WIRING DIAGRAM
for KOR-61AP2S, KOR-81AP2S
POWER SUPPLY:
SINGLE PHASE ONLY
FILTER ASS’Y
FUSE
BR(BK)
BL(WH)
GE(GN)
L
NN
L
GN
GN
BL
BL
BL
RD RD
WH
BK
D.O.M. SWITCH
SECONDARY
INTERLOCK SWITCH
RELAY-2
RELAY-1
CONTROL P.W.B. ASS’Y
RD WH
COM
NO
NC
PRIMARY
INTERLOCK
SWITCH(UPPER)
INTERLOCK
MONITOR
SWITCH
RD
HIGH VOLTAGE
TRANSFORMER
RD RD
H.V.
CAPACITOR
MAGNETRON
H.V. DIODE
GY
GY GY
WH
GY
GY
GY
CL GM FM
NOTE RD : RED OR : ORANGE CL : CAVITY LAMP (CONDITION)
WH : WHITE BL : BLUE FM : FAN (BLOWER) MOTOR DOOR : CLOSED
BK : BLACK GY : GRAY GM : GEARED MOTOR COOK : OFF
GN : GREEN GE : GREEN/YELLOW
BR : BROWN
2
3
1
LR
H.V.
FUSE
Fig. 1

Related product manuals