EasyManua.ls Logo

Daewoo 531X - Schematic Diagram

Daewoo 531X
46 pages
Print Icon
To Next Page IconTo Next Page
To Next Page IconTo Next Page
To Previous Page IconTo Previous Page
To Previous Page IconTo Previous Page
Loading...
33
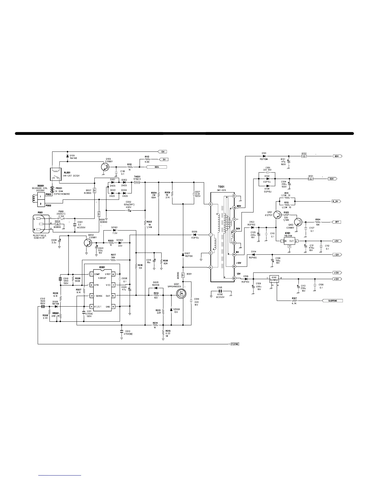
SCHEMATIC DIAGRAM
Power & Connection Section

Related product manuals