EasyManua.ls Logo

Daewoo AMI-716L - Page 16

Daewoo AMI-716L
30 pages
Print Icon
To Next Page IconTo Next Page
To Next Page IconTo Next Page
To Previous Page IconTo Previous Page
To Previous Page IconTo Previous Page
Loading...
-
16
-
u
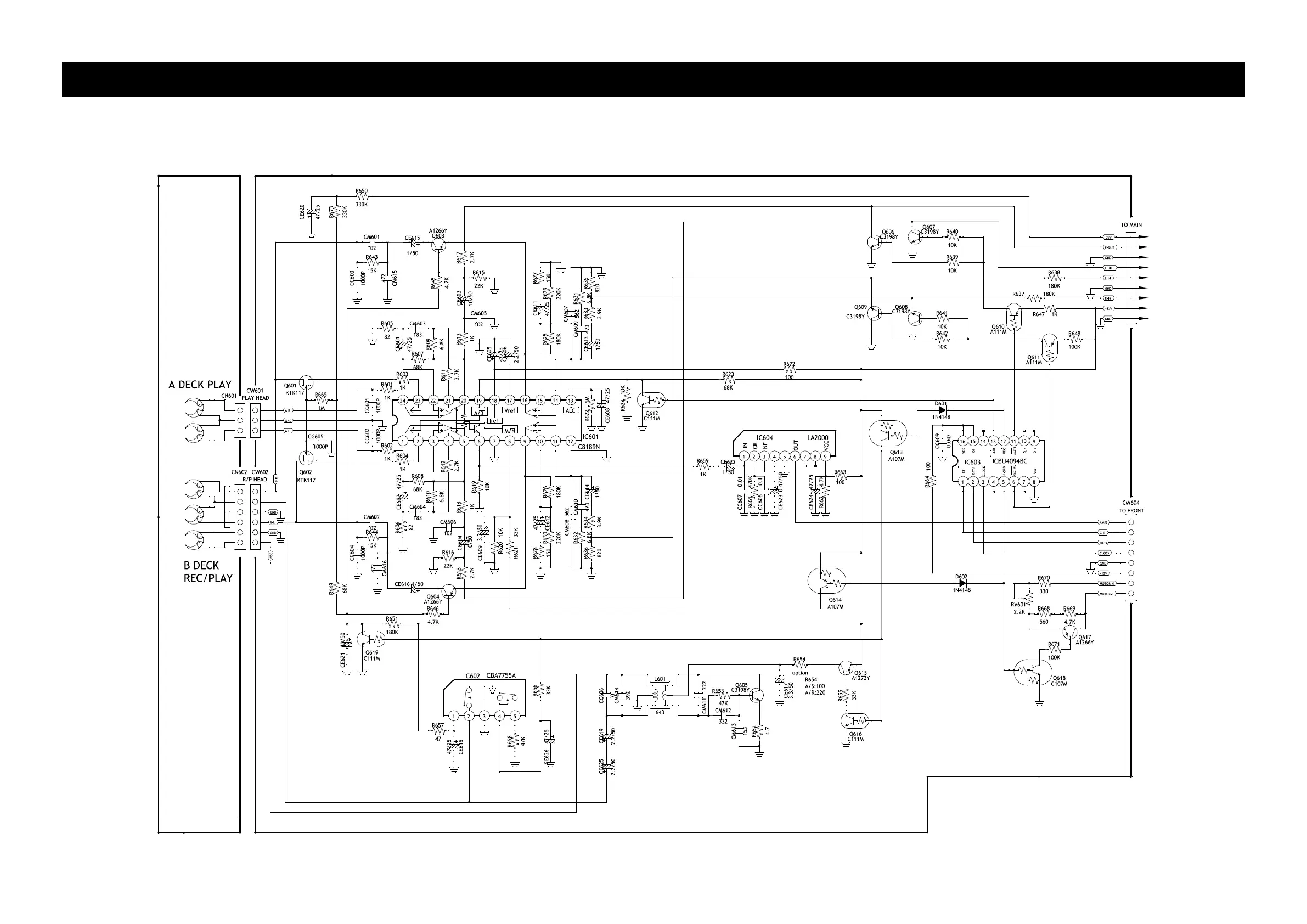
TAPE
w
AMI - 716L / 716R / 816L / 816R / 816LS / 816LSR

Related product manuals