EasyManua.ls Logo

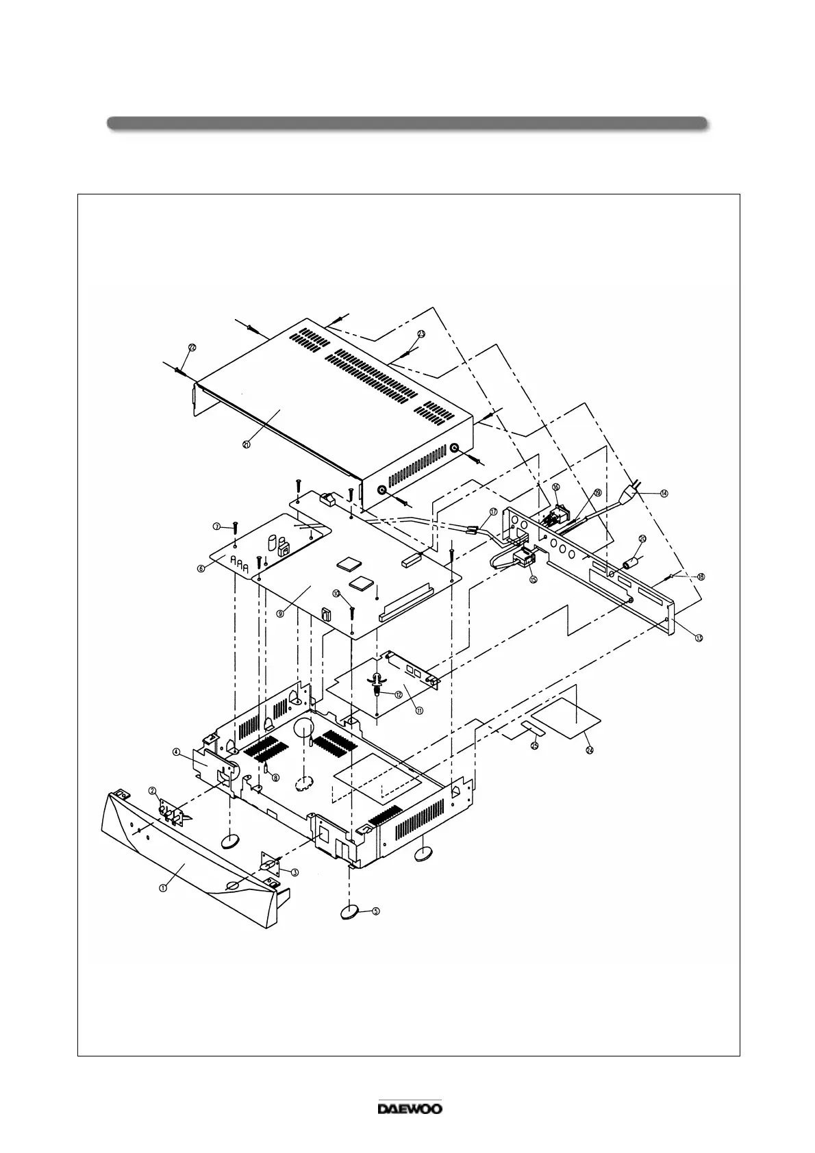
Daewoo DSN-300A - 10. EXPLODED VIEW; 10-1. DSN-300 A

Daewoo DSN-300A
48 pages
Print Icon
To Next Page IconTo Next Page
To Next Page IconTo Next Page
To Previous Page IconTo Previous Page
To Previous Page IconTo Previous Page
Loading...
36
10. EXPLODED VIEW
10-1. DSN-300A