EasyManua.ls Logo

Daewoo DSN-300A - Page 39

Daewoo DSN-300A
48 pages
Print Icon
To Next Page IconTo Next Page
To Next Page IconTo Next Page
To Previous Page IconTo Previous Page
To Previous Page IconTo Previous Page
Loading...
38
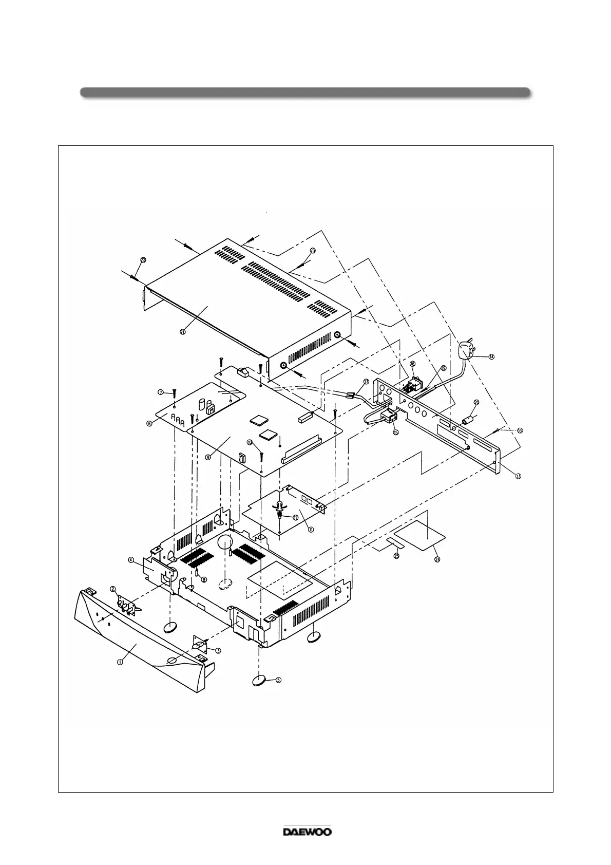
10-2. MODEL: DSN-300S