EasyManua.ls Logo

Daewoo DVN-14F6N - Page 17

Daewoo DVN-14F6N
142 pages
Print Icon
To Next Page IconTo Next Page
To Next Page IconTo Next Page
To Previous Page IconTo Previous Page
To Previous Page IconTo Previous Page
Loading...
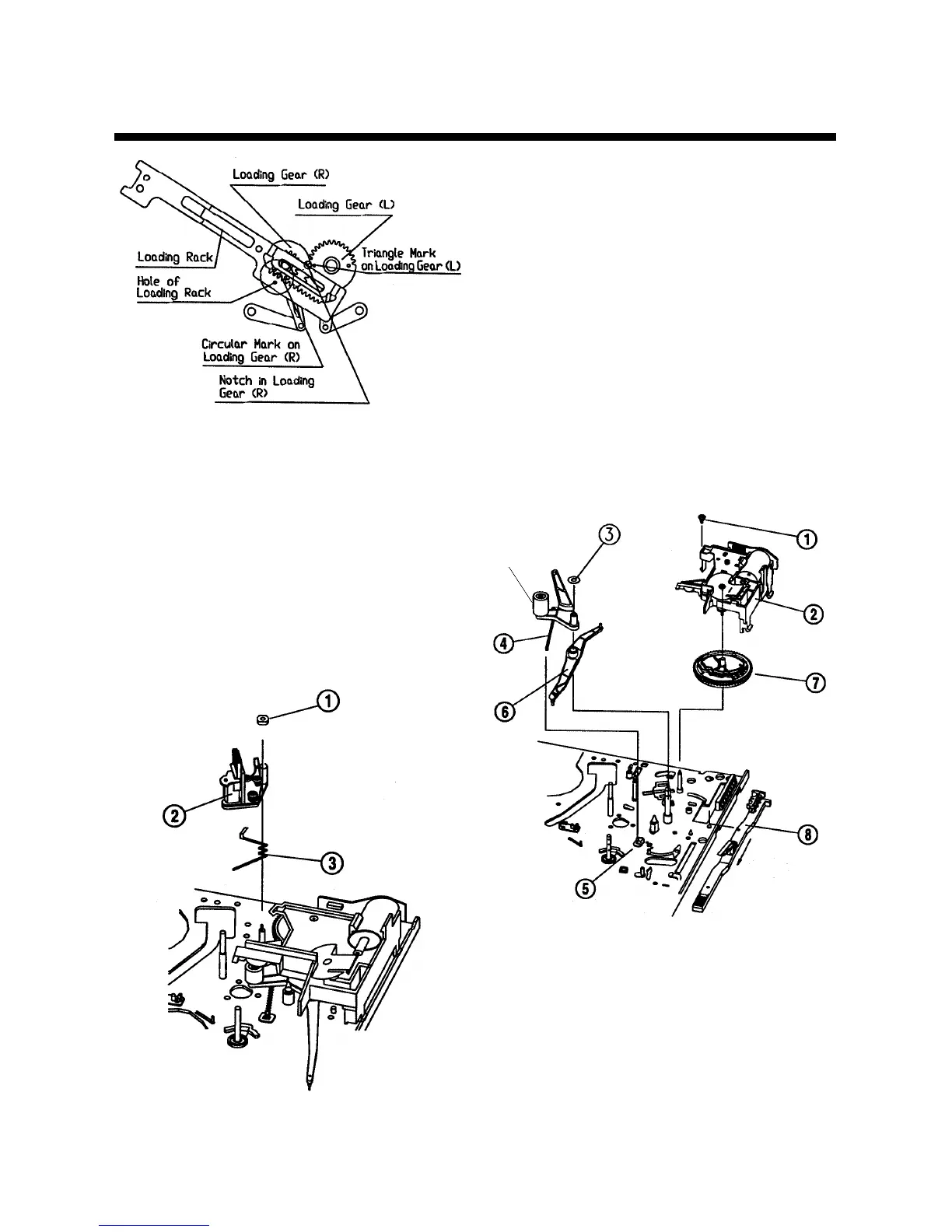
A/C Head Assembly Removal (Fig. 21)
1. Remove one (1) nut hex from the A/C head assembly
(Fig. 21)
2. Remove the A/C head assembly and remove the A/C
head spring from the A/C head assembly ②.
NOTE :
After reinstalling, perform all A/CHead adjustment proce-
dures and all tape path alignment procedures in publication.
Perform the "Audio Bias Level Adjustment" in the "Electrical
Adjustment" section of this service manual.
L/C Bracket Assembly removal (Fig. 22)
1. Remove one (1) screw from the L/C bracket assem-
bly and remove the L/C bracket assembly from the
deck mechanism (Fig. 22)
NOTE :
When reassembling, refer to Fig. 23 for alignment instruc-
tions.
Replacement of Pinch Lever Total Assembly
Removal
(Fig. 22)
1. Remove one (1) washer .
2. Unhook the pinch spring from the main base and
remove the pinch lever total assembly .
NOTE :
Take care not to get oil on the outside surface of the pinch
roller .
14
Fig. 20- Loading Gears/Loading Rack Alignment
Fig. 21- A/C Head Assembly Removal
Fig. 22- Replacement of L/C Bracket Total Assembly/Pinch
Lever Total Assembly/cam Gear/Relay Lever/F/L Rack