EasyManua.ls Logo

Daewoo DWF-1095 E Series - Page 19

Daewoo DWF-1095 E Series
37 pages
Print Icon
To Next Page IconTo Next Page
To Next Page IconTo Next Page
To Previous Page IconTo Previous Page
To Previous Page IconTo Previous Page
Loading...
35 36
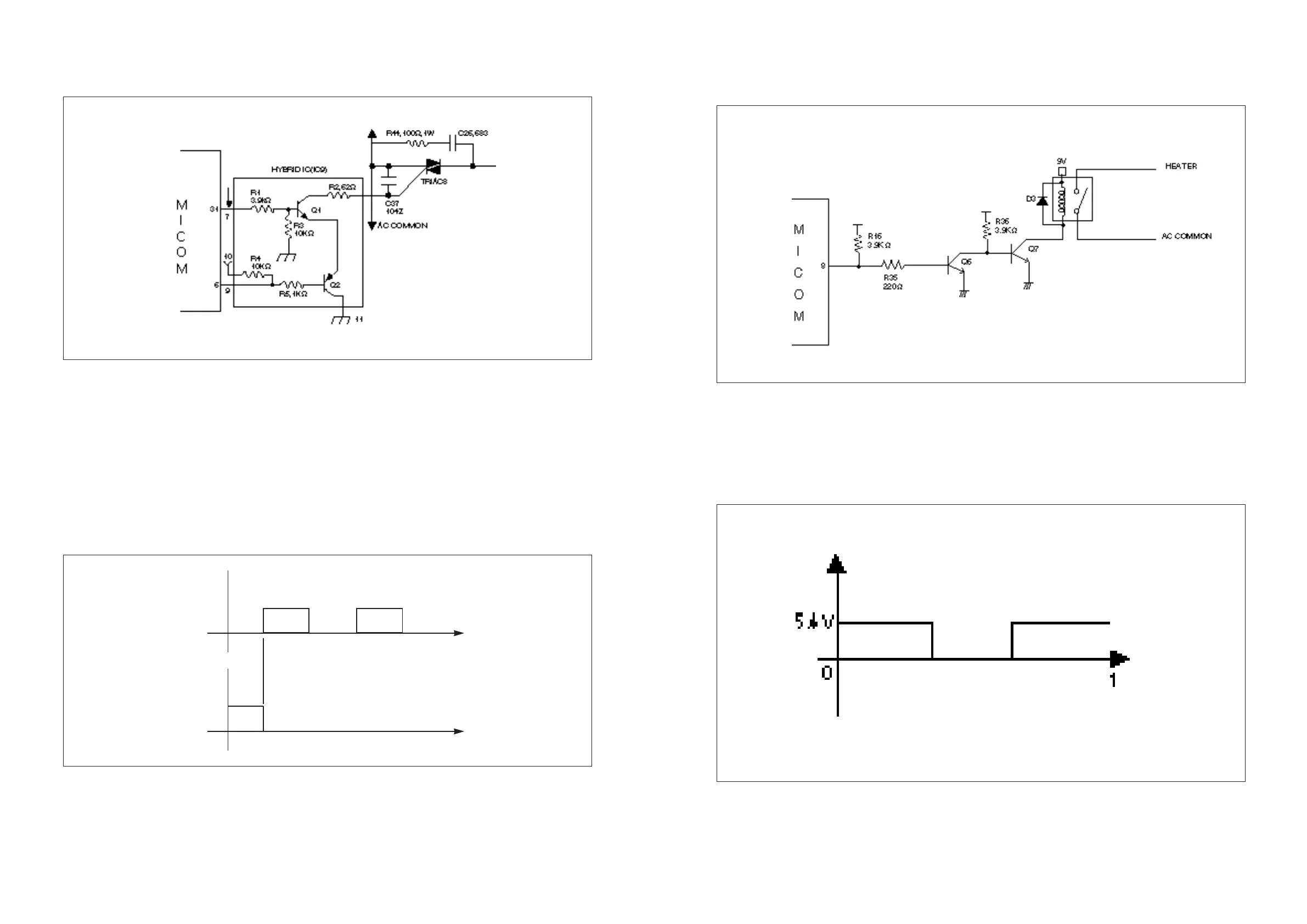
3. DETAIL EXPLANATION OF HEATER PARTS
In case MICOM terminal No. 8 is “L”, Q6 is off and Q7 is on, and Heater is drived by RELAY.
D3 prevents Q7 from reverse voltage of coil when RELAY is off.
RELAY of heater unit is drived by DC 9V. DC 9V is supplied from REGULATOR PQ09RF1.
The waveform of MICOM No.8 is as follows.
BLACK
BLACK
VOLTAGE
ACTION STOPSTOP
2. DETAIL EXPLANATION OF CIRCUIT ACTION (ACTION OF CW WASH)
In case MICOM terminal No. 31 is ‘H’ and No. 6 is ‘L’ the Q1 (KTN2222S) & the Q2 (KTA1664) turn on
and control the TRIAC. The resistance, as 62 & 1/2W, of the R52 is used to limit the GATE current of
the TRIAC.
The resistance R1(3.9K, 1/4W) and the R5(1K, 1/4W) control the base current of the Q1 & Q2 in
order as TR forces to turn on sufficiently.
The ceramic condenser C29 between the T1 and the GATE of the TRIAC8 is used for preventing the
wrong action by means of the noise.
The R63(100, 1W) and C28(683K) between the T1 and T2 of the TRIAC is used for protecting the
TRIAC, it usually called SNUBBER CIRCUIT.
The waveform of MICOM No. 31 & 6 is as follows.
action
action
stop
5.4V
0V
Terminal No. 31
t
t
Terminal No. 6
5.4V
0V
action

Related product manuals