EasyManua.ls Logo

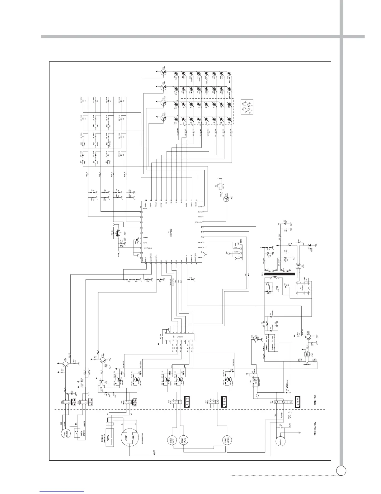
Daewoo DWF-178W - Circuit Diagram (220 V~, Pump, Cold Only)

Daewoo DWF-178W
42 pages
Print Icon
To Next Page IconTo Next Page
To Next Page IconTo Next Page
To Previous Page IconTo Previous Page
To Previous Page IconTo Previous Page
Loading...
CIRCUIT DIAGRAM
39
CIRCUIT DIAGRAM (220V~, PUMP, COLD ONLY)

Related product manuals