EasyManua.ls Logo

Daewoo DWF-700M - Page 14

Daewoo DWF-700M
25 pages
Print Icon
To Next Page IconTo Next Page
To Next Page IconTo Next Page
To Previous Page IconTo Previous Page
To Previous Page IconTo Previous Page
Loading...
14
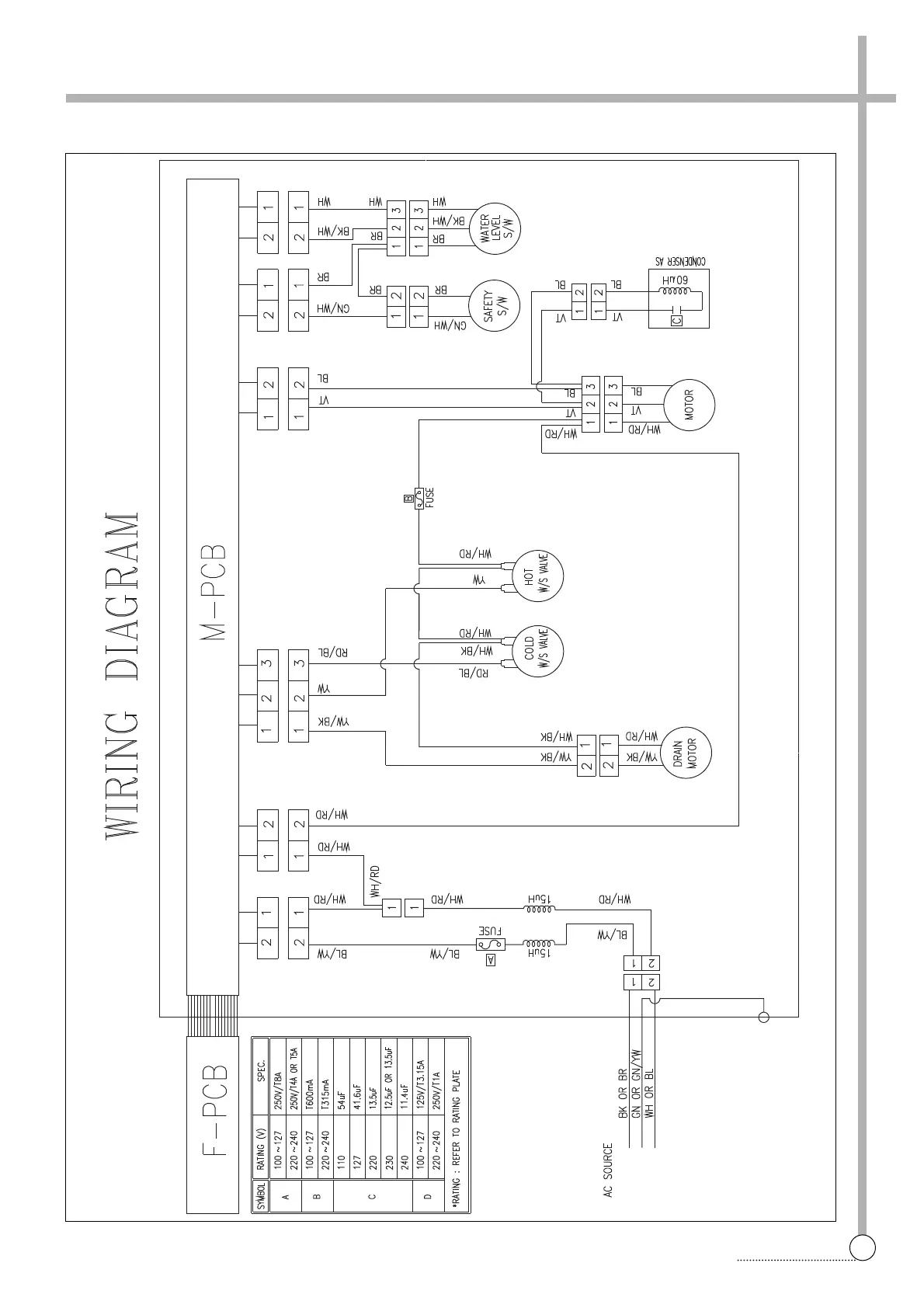
WIRING DIAGRAM
[Non-Pump, Single Valve]

Related product manuals