EasyManua.ls Logo

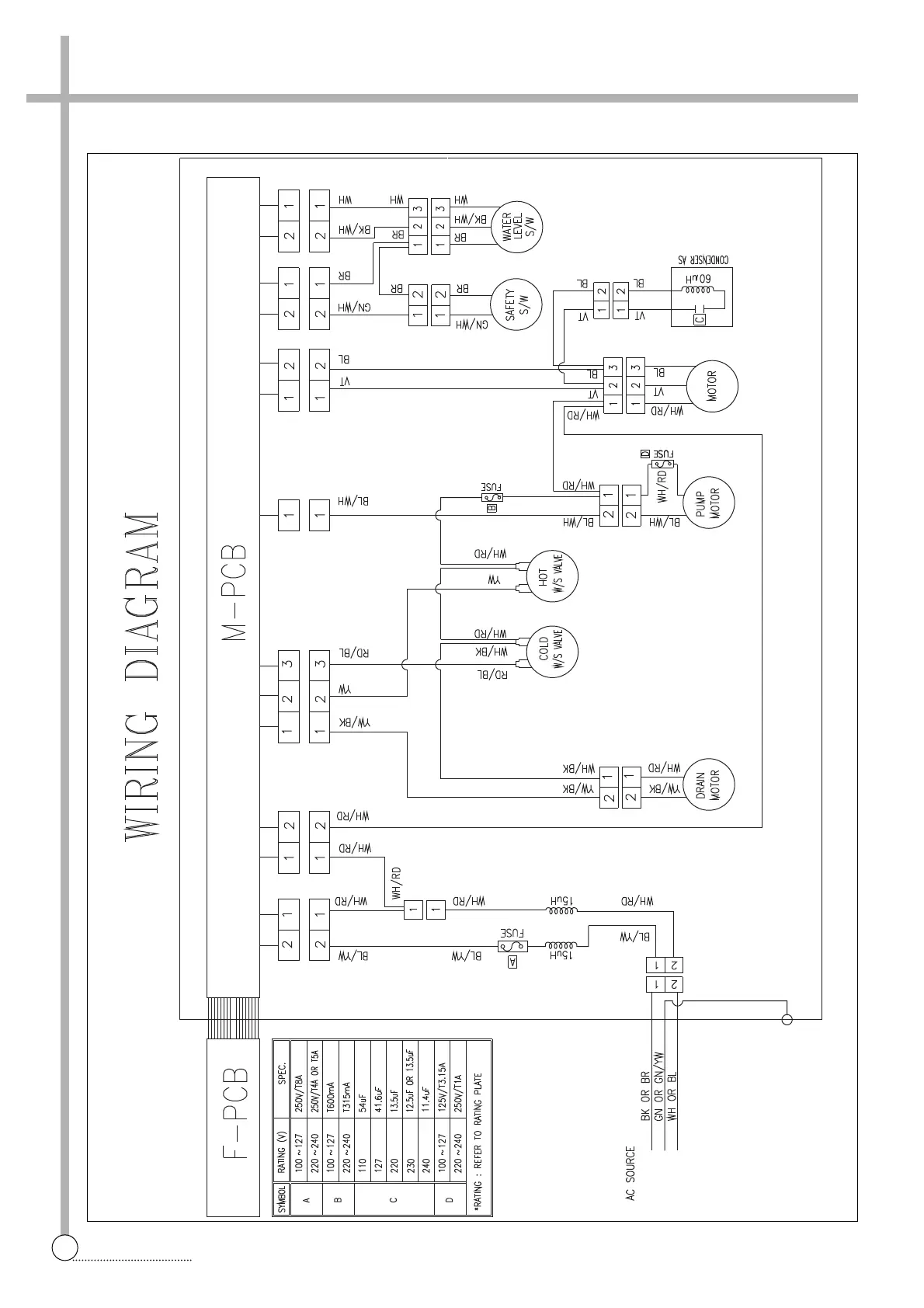
Daewoo DWF-700M - Wiring Diagram [Non Pump]

Daewoo DWF-700M
25 pages
Print Icon
To Next Page IconTo Next Page
To Next Page IconTo Next Page
To Previous Page IconTo Previous Page
To Previous Page IconTo Previous Page
Loading...
13
WIRING DIAGRAM
APPENDIX
Wiring Diagram [non pump]

Related product manuals