EasyManua.ls Logo

Daewoo ERF-366A - Refrigerant Cycle

Daewoo ERF-366A
38 pages
Print Icon
To Next Page IconTo Next Page
To Next Page IconTo Next Page
To Previous Page IconTo Previous Page
To Previous Page IconTo Previous Page
Loading...
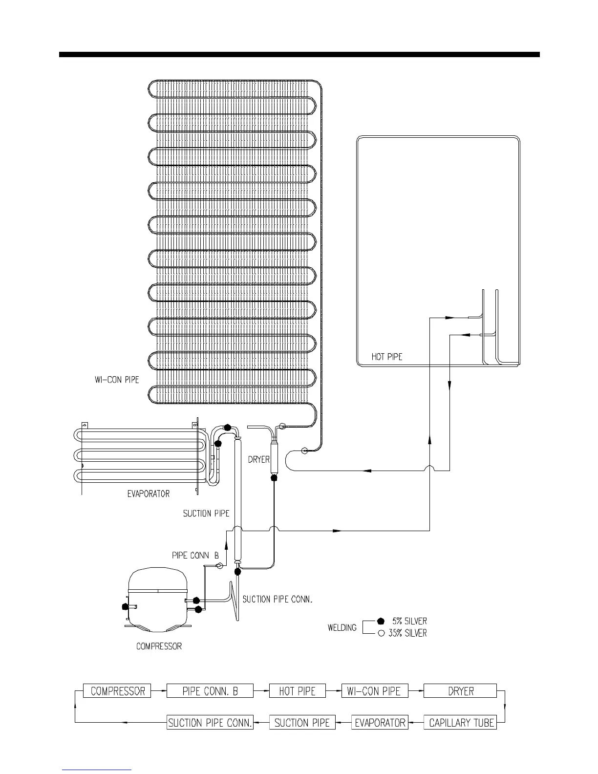
5. REFRIGERANT CYCLE
6
CAPILLARY TUBE

Related product manuals