EasyManua.ls Logo

Daewoo ERF-366A - Wiring Diagrams; ERF-XX6 A Wiring Diagram

Daewoo ERF-366A
38 pages
Print Icon
To Next Page IconTo Next Page
To Next Page IconTo Next Page
To Previous Page IconTo Previous Page
To Previous Page IconTo Previous Page
Loading...
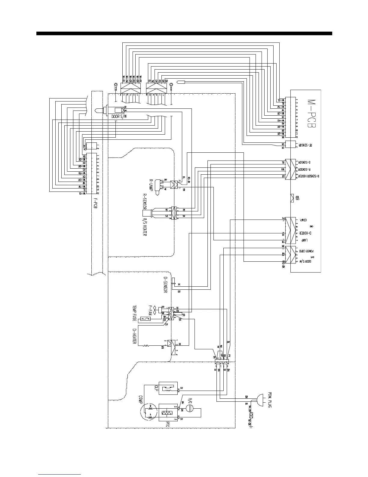
7. WIRING DIAGRAMS
8
7.1- ERF-XX6A

Related product manuals