EasyManua.ls Logo

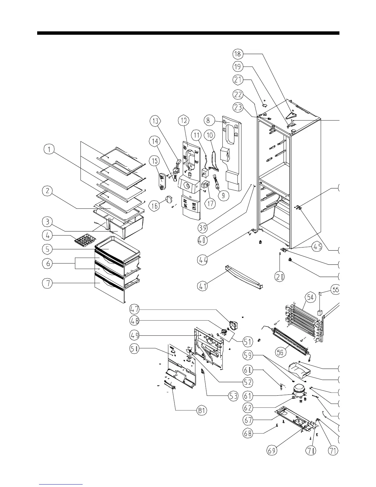
Daewoo ERF-366MNL - Explode Drawing

Daewoo ERF-366MNL
20 pages
Print Icon
To Next Page IconTo Next Page
To Next Page IconTo Next Page
To Previous Page IconTo Previous Page
To Previous Page IconTo Previous Page
Loading...
9. EXPLODE DRAWING
14

Related product manuals