EasyManua.ls Logo

Daewoo ERF-366MNL - Wiring Diagram

Daewoo ERF-366MNL
20 pages
Print Icon
To Next Page IconTo Next Page
To Next Page IconTo Next Page
To Previous Page IconTo Previous Page
To Previous Page IconTo Previous Page
Loading...
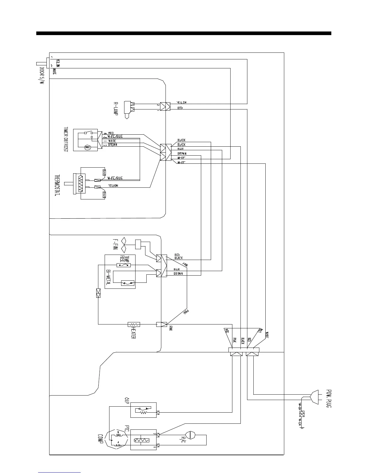
6. WIRING DIAGRAM
7

Related product manuals