EasyManua.ls Logo

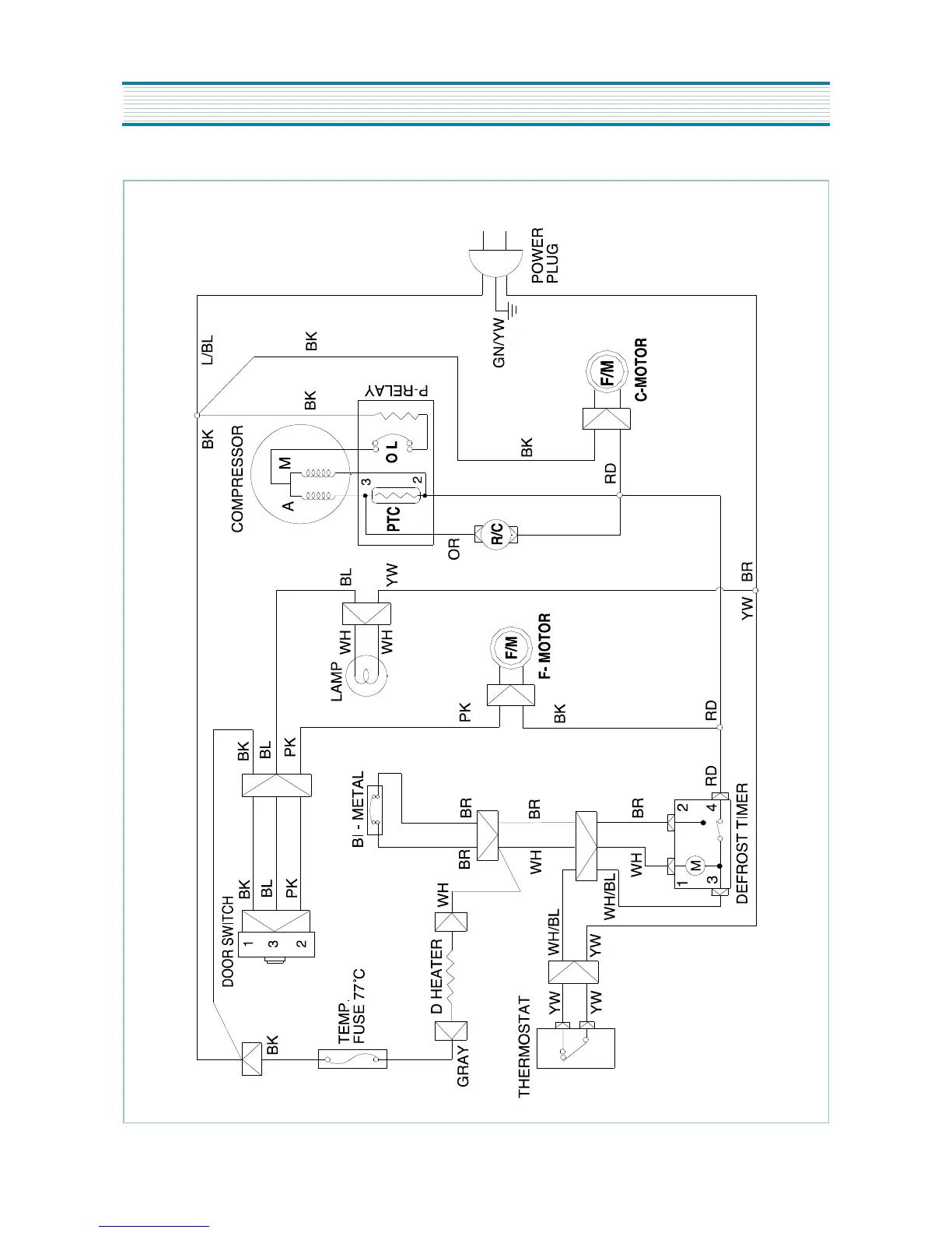
Daewoo FR-360 - Wiring Diagram

Daewoo FR-360
18 pages
Print Icon
To Next Page IconTo Next Page
To Next Page IconTo Next Page
To Previous Page IconTo Previous Page
To Previous Page IconTo Previous Page
Loading...
4
WIRING DIAGRAM

Related product manuals