EasyManua.ls Logo

Daewoo GDA Series - Page 24

Daewoo GDA Series
Print Icon
To Next Page IconTo Next Page
To Next Page IconTo Next Page
To Previous Page IconTo Previous Page
To Previous Page IconTo Previous Page
Loading...
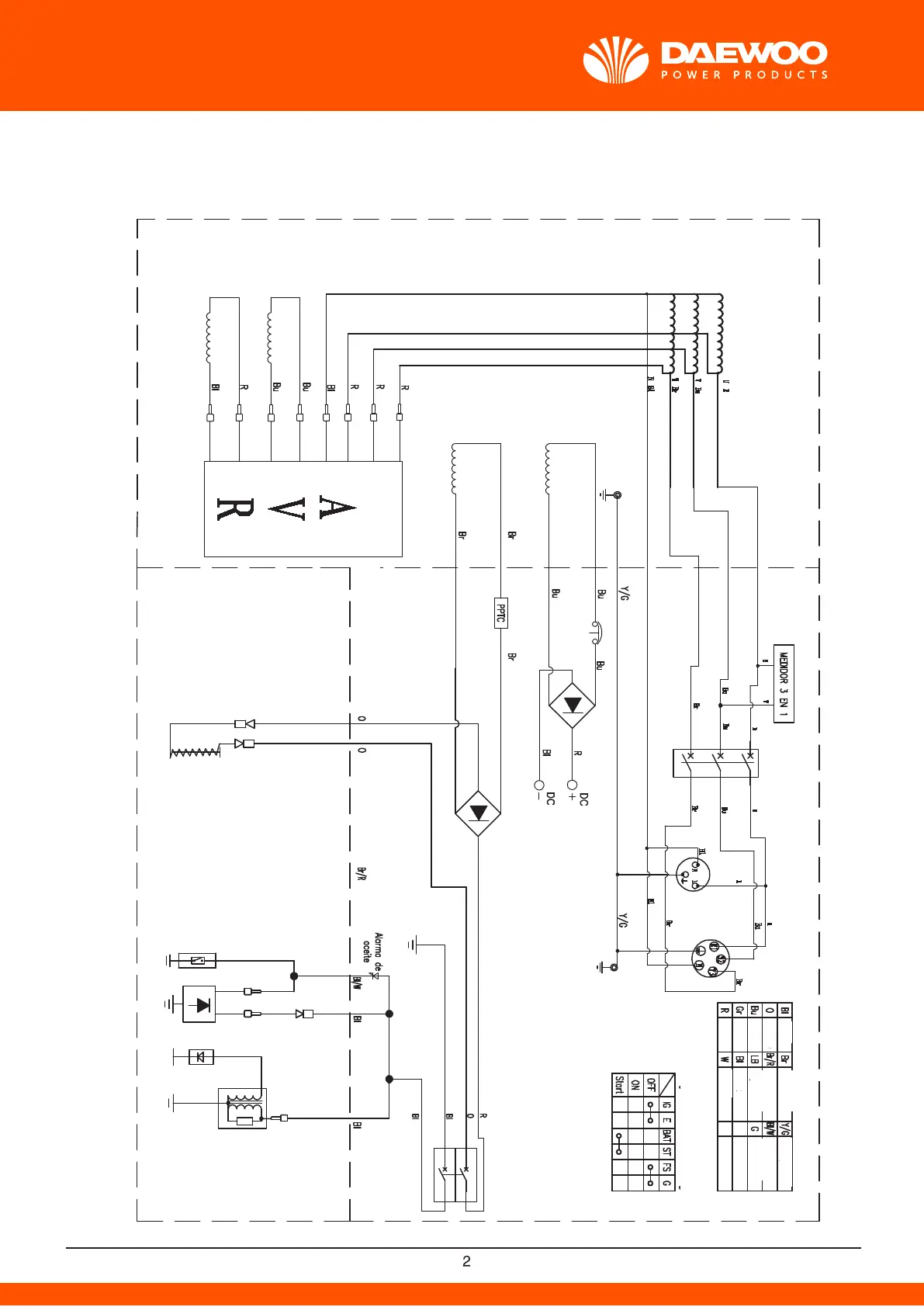
DIAGRAMA DE ESQUEMA 6 - ARRANQUE MANUAL, TRIFÁSICO
3
MOTOR
ALTERNADOR
PANEL DE CONTROL
DIAGRAMA DE CABLEADO DE GENERADOR 220 V/230 V/240 V
BOBINADO DC
ESTATOR DE
EMBOBINADO
ROTOR DE EMBOBINADO
EXCITACIÓN DE EMBOBINADO
CONEXIÓN DEL INTERRUPTOR DEL MOTOR
BUJÍA
BOBINA DE ENCENDIDO
SENSOR DE ACEITE
VÁLVULA SOLENOIDE DE COMBUSTIBLE
SWITCH DE MOTOR
NEGRO
NEGRO
NARANJA
AZUL
GRIS
ROJO
BLANCO
CELESTE VERDE
MARRÓN
MARRÓN/ROJO BLANCO/NEGRO
AMARILLO/VERDE
INTERRUPTOR
INTERRUPTOR